【 微信扫码咨询 】
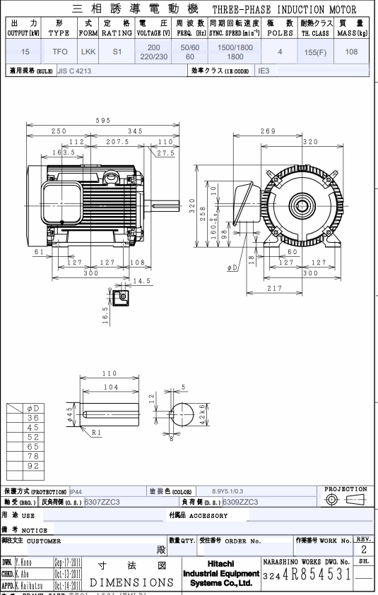
日本原装进口日立电机型号:TFO-LKK-15KW-4P-200V-50/60HZ
苏州上野公司品牌负责人联系电话;17895046997 刘先生 同微信

| 品牌 | 日立 |
| 种类 | 低圧马达 |
| 型式 | TFO-LKK |
| 出力 | 15KW |
| 极数 | 4P |
| 电压 | 200V |
| 频率 | 50/60Hz |
| 规格 | 低压通用脚安装(横)型 |
| 其他 | 詳細:全閉外扇屋内仕様 IE3 2022年製 |
| 枠番:160L | |
| 其他厂商相同规格品 | |
| 三菱:SF-PR | |
| 東芝:TKKH3-FBKA21E | |
| 富士:MLU1167A | |
| 日本電産:FEF-P |


