【 微信扫码咨询 】
KURASHIKI KAKO仓敷化工防振橡胶:KN-20A结构设置稳定性良好
苏州上野机电设备有限公司询价咨询电话:17895046997 刘先生 同微信

可以放置使用,最适合设置小型设备 脚支架KN不需要固定在地板上,可以放置着使用,所以适用于小型设备的设置。
性能特点:
1 .良好的防震、隔音效果 与同一形状的圆形防振橡胶相比,弹簧常数小,因此可以获得更好的防振、隔音效果。
2 .安装稳定性好 与地板的接触面具有独特的图案,结构设置稳定性良好。
3 .放置使用 不需要地脚螺栓,可以放置着使用,所以很容易进行布局的变更。
4 .使用不易弄脏地板的特殊橡胶
主要用途 :
零件送料器 办公机械、精密机械、测量机械、电子机械 仪表盘、光学仪器、试验机、计算机、硬度计 其他轻型机械

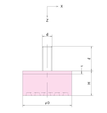
| 種類 | 防振ゴム・ゲル | 材質 | [ゴム] 非移行性クロロプレン |
|---|---|---|---|
| 最大許容荷重(範囲)(N) | ~300 | 接続形状 | 片端おねじ |
| 接続ねじ M | M6 | 高さH・厚さT(mm) | 11 |
| ばね定数(N/mm) | 83 | 硬度(ショアA) | 45 |
| 色 | 黒 | 使用荷重範囲(N) | 0~120 |
| 許容荷重(N) | 160 | 使用用途 | 防振 |
| 特性 | 標準 | 外径 D(φ) | 20 |
| 防振ゴムの種類 | 丸形 | RoHS | 10 |

苏州上野机机电设备有限公司销售型号:
KN-20A
KN-30A
KN-40A
KN-50A
KN-20A
KN-30A
KN-40A
KN-50A
KN-20A
KN-30A
KN-40A
KN-50A
KN-20A
KN-30A
KN-40A
KN-50A
KN-20A
KN-30A
KN-40A
KN-50A
KN-20A
KN-30A
KN-40A
KN-50A
KN-20A
KN-30A
KN-40A
KN-50A
KN-20A
KN-30A
KN-40A
KN-50A
KN-20A
KN-30A
KN-40A
KN-50A
KN-20A
KN-30A
KN-40A
KN-50A