【 微信扫码咨询 】
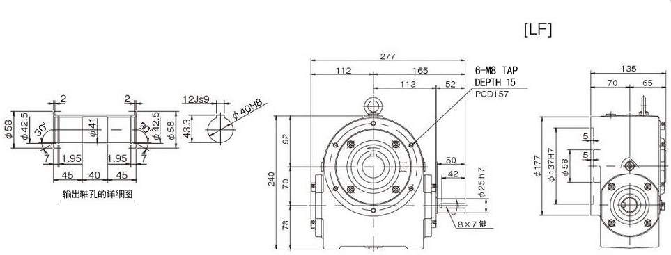
日本采用圆柱形蜗轮的TSUBAKI椿本齿轮减速机型号:SWJ70E15RF
苏州上野机电设备有限公司询价咨询电话:17895046997 刘先生 同微信

蜗轮驱动 SW/SWM, SWJ/SWJM系列
采用轴上安装·法兰安装的专用箱体,有助于简化装置。
输出轴提供实心轴·空心轴两类,还备有动力锁·锥形套等形式。
有助于削减组装工时。
SW 系列
| 蜗轮齿轮种类 | 圆柱形蜗轮 | |
|---|---|---|
| 尺寸 | 小型~中型 | |
| 芯间距离 80mm~200mm | ||
| 减速比 | 一级减速 | 1/10~1/60 |
| 高减速比 | 1/100~1/3600 | |
| 扭矩 | 300~5300 N・m | |
SWJ 系列
| 蜗轮齿轮种类 | 圆柱形蜗轮 | |
|---|---|---|
| 尺寸 | 小型 | |
| 芯间距离 25mm~70mm | ||
| 减速比 | 一级减速 | 1/10~1/60 |
| 高减速比 | 1/100~1/3600 | |
| 扭矩 | 12~300 N・m | |

| 减速比 | 输入1750 r/min | 输入1450 r/min | 输入1150 r/min | 输入950 r/min | 输入500 r/min | 输入100 r/min | 大概 质量 kg | ||||||||||||
|---|---|---|---|---|---|---|---|---|---|---|---|---|---|---|---|---|---|---|---|
| 输入 kW | 输出扭矩 | 输入 kW | 输出扭矩 | 输入 kW | 输出扭矩 | 输入 kW | 输出扭矩 | 输入 kW | 输出扭矩 | 输入 kW | 输出扭矩 | ||||||||
| N・m | {kgf・m} | N・m | {kgf・m} | N・m | {kgf・m} | N・m | {kgf・m} | N・m | {kgf・m} | N・m | {kgf・m} | ||||||||
| 15 | 2.43 | 176 | 18.0 | 2.27 | 197 | 20.1 | 1.95 | 210 | 21.5 | 1.76 | 227 | 23.1 | 1.18 | 276 | 28.1 | 0.30 | 317 | 32.3 | 21 |
・以1750~1450r/min的转速连续运转二小时以上时,因为需要考虑额定热负载,所以请参照目录21页的额定热负载系数。
・关于该机种的容许径向负载,请与我们联系。
输出中空轴 容许轴向负载
・关于该机种的容许轴向负载,请与我们联系。
| 减 速 部 | 润滑方式 | 油浴方式·注油出货 |
|---|---|---|
| DAPHNE ALPHA OILTE260 | ||
| 键规格 | 新JIS普通 JIS B1301-1976(中实轴部用键一同出货) | |
| 涂装规格 | 蒙塞尔2.5G6/3(绿色) | |
| 底层:清漆类底漆 表层:清漆类涂料 | ||
| 防锈规格 | 防锈期 室内保管6个月(工厂出厂后) | |
| 外部防锈处理:涂抹防锈脂 内部防锈处理:填充润滑油后密封 | ||
| 周 围 条 件 | 设置场所 | 室内 |
| 环境温度 | -10℃~50℃ | |
| 环境湿度 | 95%以下(无结露) | |
| 高 度 | 海拔1000m以下 | |
| 环 境 | 无腐蚀性及爆炸性气体·蒸气及无结露,尘埃少 | |
| 安装方式 | 自由安装 | |
SW 系列
| 蜗轮齿轮种类 | 圆柱形蜗轮 | |
|---|---|---|
| 尺寸 | 小型~中型 | |
| 芯间距离 80mm~200mm | ||
| 减速比 | 一级减速 | 1/10~1/60 |
| 高减速比 | 1/100~1/3600 | |
| 扭矩 | 300~5300 N・m | |
SWJ 系列
| 蜗轮齿轮种类 | 圆柱形蜗轮 | |
|---|---|---|
| 尺寸 | 小型 | |
| 芯间距离 25mm~70mm | ||
| 减速比 | 一级减速 | 1/10~1/60 |
| 高减速比 | 1/100~1/3600 | |
| 扭矩 | 12~300 N・m | |
.
苏州上野机电设备有限公司销售型号:
1/10 中空 SWJ25E10DF
1/15 中空 SWJ25E15DF
1/20 中空 SWJ25E20DF
1/25 中空 SWJ25E25DF
1/30 中空 SWJ25E30DF
1/40 中空 SWJ25E40DF
1/50 中空 SWJ25E50DF
1/60 中空 SWJ25E60DF
苏州上野机电设备有限公司销售型号:
1/10 中空 SWJ35E10DF
1/15 中空 SWJ35E15DF
1/20 中空 SWJ35E20DF
1/25 中空 SWJ35E25DF
1/30 中空 SWJ35E30DF
1/40 中空 SWJ35E40DF
1/50 中空 SWJ35E50DF
1/60 中空 SWJ35E60DF
苏州上野机电设备有限公司销售型号:
1/10 中空 SWJ42E10DF
1/15 中空 SWJ42E15DF
1/20 中空 SWJ42E20DF
1/25 中空 SWJ42E25DF
1/30 中空 SWJ42E30DF
1/40 中空 SWJ42E40DF
1/50 中空 SWJ42E50DF
1/60 中空 SWJ42E60DF
苏州上野机电设备有限公司销售型号:
1/10 中空 SWJ50E10DF
1/15 中空 SWJ50E15DF
1/20 中空 SWJ50E20DF
1/25 中空 SWJ50E25DF
1/30 中空 SWJ50E30DF
1/40 中空 SWJ50E40DF
1/50 中空 SWJ50E50DF
1/60 中空 SWJ50E60DF
苏州上野机电设备有限公司销售型号:
1/10 中空 SWJ63E10DF
1/15 中空 SWJ63E15DF
1/20 中空 SWJ63E20DF
1/25 中空 SWJ63E25DF
1/30 中空 SWJ63E30DF
1/40 中空 SWJ63E40DF
1/50 中空 SWJ63E50DF
1/60 中空 SWJ63E60DF
苏州上野机电设备有限公司销售型号:
1/10 中空 SWJ70E10LF
SWJ70E10RF
1/15 中空 SWJ70E15LF
SWJ70E15RF
1/20 中空 SWJ70E20LF
SWJ70E20RF
1/25 中空 SWJ70E25LF
SWJ70E25RF
1/30 中空 SWJ70E30LF
SWJ70E30RF
1/40 中空 SWJ70E40LF
SWJ70E40RF
1/50 中空 SWJ70E50LF
SWJ70E50RF
1/60 中空 SWJ70E60LF
SWJ70E60RF