【 微信扫码咨询 】

到货日本原装进口KURASHIKI KAKO仓敷化工空气弹簧型号:PSD-400
苏州上野机电设备有限公司销售电话:17895046997 刘经理 微信同号
仓敷化工橡胶弹簧性能及特点:
优良的防震效果。
最大载荷时,固有频率为3~4 Hz,具有与PSB型空气弹簧相近的防振性能。
优良的隔音效果。
它可以隔离螺旋弹簧中出现的冲击现象,并获得隔音效果。
橡胶的衰减效果。
橡胶膜比较厚,有橡胶本身的衰减效果。
安全性很高.。
由于侧壁面是金属,所以在接触事故等方面的安全性提高了。
产品高度低.。
产品高度全尺寸通用,设计低达90 mm。因此,设备高度也不会太高,
也可以同时使用不同的尺寸。
很容易调整水平。
本产品为空气密封型,为充气,机身安装轮胎阀门(汽车用)。单独出售的空气卡盘(空气密封工具),可以很容易地密封空气。
此外,通过按下轮胎阀芯也可以轻松抽空,水平调整很容易。



苏州上野机电设备有限公司销售型号:
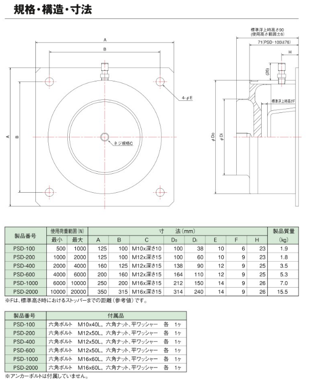
PSD-100
PSD-1000
PSD-200
PSD-2000
PSD-400
PSD-600
PSV-23
苏州上野机电设备有限公司是一家专业的日本机械设备及零部件提供商。 主要经营KG协育齿轮、BELLPONY减速机 ,URAS TECHNO村上振动电机/振动器 ,TAC主轴电机,ORIENTALMOTOR东方马达 ,TTSUBAKI椿本减速机 ,GTR日精减速机,沃康传感器 ,FUJI富士减速机,AOKI青木减速机 ,酒井联轴器、MITSUBISHI三菱减速马达、HITACHI日立减速机,井口ISB機工,小仓离合器 ,内村脚轮,哈玛脚轮,优越脚轮,冈本工机脚轮,狮子吼脚轮,TOK轴承,三木联轴器 ,三星皮带,KYOWA协和转向接头,大同联轴器 ,九州联轴器 ,、NASTOA 焊接电源、JPE HO- MOTOR,昭和风机,松下过滤风机 ,ONIKAZE赤松风机/送风机 ,仓敷化工 等,我们还与其他厂商建立了良好的代理协作关系, 为顾客提供种类繁多价格可靠的众多产品,以及有效地降低了采购和物流成本。 我司有丰富现场经验的工程技术人员和广泛的服务网络,能随时为客户提供完善便捷的服务和技术支持。
