【 微信扫码咨询 】
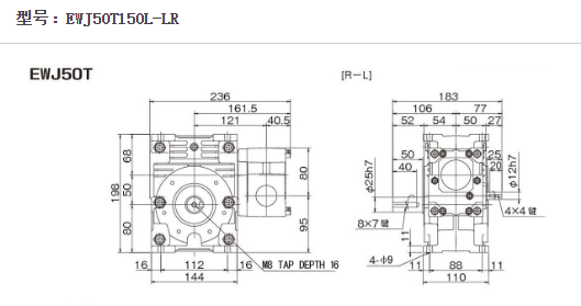
日本TUSBAKI椿本减速机型号:EWJ50T150L-LR
苏州上野机电设备有限公司销售电话:17895046997 刘经理 微信同号

EW/EWM蜗轮减速机
拥有领先于时代需求的多样化产品,适用于各种各样的环境。
支持车站站台、医疗、工业机械等最新技术。
可满足各种需求的3种EW/EWM蜗轮减速机
备有EW·SW·TM三个系列。
可供选择的2种安装形式
备有支脚安装&轴上安装2种形式的外壳
苏州上野机电设备有限公司是一家专业的日本机械设备及零部件提供商。 主要经营KG协育齿轮、BELLPONY减速机 ,URAS TECHNO村上振动电机/振动器 ,TAC主轴电机,ORIENTALMOTOR东方马达 ,TTSUBAKI椿本减速机 ,GTR日精减速机,沃康传感器 ,FUJI富士减速机,AOKI青木减速机 ,酒井联轴器、MITSUBISHI三菱减速马达、HITACHI日立减速机,井口ISB機工,小仓离合器 ,内村脚轮,哈玛脚轮,优越脚轮,冈本工机脚轮,狮子吼脚轮,TOK轴承,三木联轴器 ,三星皮带,KYOWA协和转向接头,大同联轴器 ,九州联轴器 ,、NASTOA 焊接电源、JPE HO- MOTOR,昭和风机,松下过滤风机 ,ONIKAZE赤松风机/送风机 ,仓敷化工 等,我们还与其他厂商建立了良好的代理协作关系, 为顾客提供种类繁多价格可靠的众多产品,以及有效地降低了采购和物流成本。 我司有丰富现场经验的工程技术人员和广泛的服务网络,能随时为客户提供完善便捷的服务和技术支持。
| 减 速 部 | 润滑方式 | 油浴方式·注油出货 |
|---|---|---|
| DAPHNE ALPHA OILTE260 | ||
| 键规格 | 新JIS普通 JIS B1301-1976(中实轴部用键一同出货) | |
| 涂装规格 | 蒙塞尔2.5G6/3(绿色) | |
| 清漆类涂料 只用于表层涂装 | ||
| 防锈规格 | 防锈期 室内保管6个月(工厂出厂后) | |
| 外部防锈处理:涂抹防锈脂 内部防锈处理:填充润滑油后密封 | ||
| 周 围 条 件 | 设置场所 | 室内 |
| 环境温度 | -10℃~50℃ | |
| 环境湿度 | 95%以下(无结露) | |
| 高 度 | 海拔1000m以下 | |
| 环 境 | 无腐蚀性及爆炸性气体·蒸气及无结露,尘埃少 | |
| 安装方式 | 自由安装 | |


苏州上野机电设备有限公司销售型号:
1/10 实心 EWJ42E10L
EWJ42E10R
EWJ42E10LR ---
中空 --- SWJ42E10DF
1/15 实心 EWJ42E15L
EWJ42E15R
EWJ42E15LR ---
中空 --- SWJ42E15DF
1/20 实心 EWJ42E20L
EWJ42E20R
EWJ42E20LR ---
中空 --- SWJ42E20DF
1/25 实心 EWJ42E25L
EWJ42E25R
EWJ42E25LR ---
中空 --- SWJ42E25DF
1/30 实心 EWJ42E30L
EWJ42E30R
EWJ42E30LR ---
中空 --- SWJ42E30DF
1/40 实心 EWJ42E40L
EWJ42E40R
EWJ42E40LR ---
中空 --- SWJ42E40DF
1/50 实心 EWJ42E50L
EWJ42E50R
EWJ42E50LR ---
中空 --- SWJ42E50DF
1/60 实心 EWJ42E60L
EWJ42E60R
EWJ42E60LR ---
中空 --- SWJ42E60DF
1/10 实心 EWJ50E10L
EWJ50E10R
EWJ50E10LR --- EWJ50V10LU
EWJ50V10LD
EWJ50V10LUD
EWJ50V10RU
EWJ50V10RD
EWJ50V10RUD ---
中空 --- SWJ50E10DF --- ---
1/15 实心 EWJ50E15L
EWJ50E15R
EWJ50E15LR --- EWJ50V15LU
EWJ50V15LD
EWJ50V15LUD
EWJ50V15RU
EWJ50V15RD
EWJ50V15RUD ---
中空 --- SWJ50E15DF --- ---
1/20 实心 EWJ50E20L
EWJ50E20R
EWJ50E20LR --- EWJ50V20LU
EWJ50V20LD
EWJ50V20LUD
EWJ50V20RU
EWJ50V20RD
EWJ50V20RUD ---
中空 --- SWJ50E20DF --- ---
1/25 实心 EWJ50E25L
EWJ50E25R
EWJ50E25LR --- EWJ50V25LU
EWJ50V25LD
EWJ50V25LUD
EWJ50V25RU
EWJ50V25RD
EWJ50V25RUD ---
中空 --- SWJ50E25DF --- ---
1/30 实心 EWJ50E30L
EWJ50E30R
EWJ50E30LR --- EWJ50V30LU
EWJ50V30LD
EWJ50V30LUD
EWJ50V30RU
EWJ50V30RD
EWJ50V30RUD ---
中空 --- SWJ50E30DF --- ---
1/40 实心 EWJ50E40L
EWJ50E40R
EWJ50E40LR --- EWJ50V40LU
EWJ50V40LD
EWJ50V40LUD
EWJ50V40RU
EWJ50V40RD
EWJ50V40RUD ---
中空 --- SWJ50E40DF --- ---
1/50 实心 EWJ50E50L
EWJ50E50R
EWJ50E50LR --- EWJ50V50LU
EWJ50V50LD
EWJ50V50LUD
EWJ50V50RU
EWJ50V50RD
EWJ50V50RUD ---
中空 --- SWJ50E50DF --- ---
1/60 实心 EWJ50E60L
EWJ50E60R
EWJ50E60LR --- EWJ50V60LU
EWJ50V60LD
EWJ50V60LUD
EWJ50V60RU
EWJ50V60RD
EWJ50V60RUD ---
中空 --- SWJ50E60DF --- ---
1/100 实心 EWJ50T100L-R
EWJ50T100R-L
EWJ50T100L-LR
EWJ50T100R-LR --- EWJ50V100L-RU
EWJ50V100L-RD
EWJ50V100L-RUD
EWJ50V100R-LU
EWJ50V100R-LD
EWJ50V100R-LUD ---
1/150 实心 EWJ50T150L-R
EWJ50T150R-L
EWJ50T150L-LR
EWJ50T150R-LR --- EWJ50V150L-RU
EWJ50V150L-RD
EWJ50V150L-RUD
EWJ50V150R-LU
EWJ50V150R-LD
EWJ50V150R-LUD ---
1/200 实心 EWJ50T200L-R
EWJ50T200R-L
EWJ50T200L-LR
EWJ50T200R-LR --- EWJ50V200L-RU
EWJ50V200L-RD
EWJ50V200L-RUD
EWJ50V200R-LU
EWJ50V200R-LD
EWJ50V200R-LUD ---
1/250 实心 EWJ50T250L-R
EWJ50T250R-L
EWJ50T250L-LR
EWJ50T250R-LR --- EWJ50V250L-RU
EWJ50V250L-RD
EWJ50V250L-RUD
EWJ50V250R-LU
EWJ50V250R-LD
EWJ50V250R-LUD ---
1/300 实心 EWJ50T300L-R
EWJ50T300R-L
EWJ50T300L-LR
EWJ50T300R-LR --- EWJ50V300L-RU
EWJ50V300L-RD
EWJ50V300L-RUD
EWJ50V300R-LU
EWJ50V300R-LD
EWJ50V300R-LUD ---
1/400 实心 EWJ50T400L-R
EWJ50T400R-L
EWJ50T400L-LR
EWJ50T400R-LR --- EWJ50V400L-RU
EWJ50V400L-RD
EWJ50V400L-RUD
EWJ50V400R-LU
EWJ50V400R-LD
EWJ50V400R-LUD ---
1/500 实心 EWJ50T500L-R
EWJ50T500R-L
EWJ50T500L-LR
EWJ50T500R-LR --- EWJ50V500L-RU
EWJ50V500L-RD
EWJ50V500L-RUD
EWJ50V500R-LU
EWJ50V500R-LD
EWJ50V500R-LUD ---
1/600 实心 EWJ50T600L-R
EWJ50T600R-L
EWJ50T600L-LR
EWJ50T600R-LR --- EWJ50V600L-RU
EWJ50V600L-RD
EWJ50V600L-RUD
EWJ50V600R-LU
EWJ50V600R-LD
EWJ50V600R-LUD ---
1/800 实心 EWJ50T800L-R
EWJ50T800R-L
EWJ50T800L-LR
EWJ50T800R-LR --- EWJ50V800L-RU
EWJ50V800L-RD
EWJ50V800L-RUD
EWJ50V800R-LU
EWJ50V800R-LD
EWJ50V800R-LUD ---
1/1000 实心 EWJ50T1000L-R
EWJ50T1000R-L
EWJ50T1000L-LR
EWJ50T1000R-LR --- EWJ50V1000L-RU
EWJ50V1000L-RD
EWJ50V1000L-RUD
EWJ50V1000R-LU
EWJ50V1000R-LD
EWJ50V1000R-LUD ---
1/1200 实心 EWJ50T1200L-R
EWJ50T1200R-L
EWJ50T1200L-LR
EWJ50T1200R-LR --- EWJ50V1200L-RU
EWJ50V1200L-RD
EWJ50V1200L-RUD
EWJ50V1200R-LU
EWJ50V1200R-LD
EWJ50V1200R-LUD ---
1/1500 实心 EWJ50T1500L-R
EWJ50T1500R-L
EWJ50T1500L-LR
EWJ50T1500R-LR --- EWJ50V1500L-RU
EWJ50V1500L-RD
EWJ50V1500L-RUD
EWJ50V1500R-LU
EWJ50V1500R-LD
EWJ50V1500R-LUD ---
1/1800 实心 EWJ50T1800L-R
EWJ50T1800R-L
EWJ50T1800L-LR
EWJ50T1800R-LR --- EWJ50V1800L-RU
EWJ50V1800L-RD
EWJ50V1800L-RUD
EWJ50V1800R-LU
EWJ50V1800R-LD
EWJ50V1800R-LUD ---
1/2400 实心 EWJ50T2400L-R
EWJ50T2400R-L
EWJ50T2400L-LR
EWJ50T2400R-LR --- EWJ50V2400L-RU
EWJ50V2400L-RD
EWJ50V2400L-RUD
EWJ50V2400R-LU
EWJ50V2400R-LD
EWJ50V2400R-LUD ---
1/3000 实心 EWJ50T3000L-R
EWJ50T3000R-L
EWJ50T3000L-LR
EWJ50T3000R-LR --- EWJ50V3000L-RU
EWJ50V3000L-RD
EWJ50V3000L-RUD
EWJ50V3000R-LU
EWJ50V3000R-LD
EWJ50V3000R-LUD ---
1/3600 实心 EWJ50T3600L-R
EWJ50T3600R-L
EWJ50T3600L-LR
EWJ50T3600R-LR --- EWJ50V3600L-RU
EWJ50V3600L-RD
EWJ50V3600L-RUD
EWJ50V3600R-LU
EWJ50V3600R-LD
EWJ50V3600R-LUD