【 微信扫码咨询 】
日本SHOWA昭和鼓风机型号EP-100T-L343

苏州上野公司主营日本机械,联 系人-张-涛- 手- 机1-8-8-9698-4864。
苏州上野公司张涛批发销售日本SHOWA昭和电机株式会社风机鼓风机型号EP-100T-L343。昭和电机株式会社(SHOWA DENKI CO LTD),成立于1950年,电动送风机生产商,拥有气流技术,产品广泛地使用于通风机械,热风机,工业炉,印刷机,机床,包装机,制冷机及燃烧器等工业行业。
苏州上野公司张涛批发销售日本SHOWA昭和电机株式会社风机鼓风机型号EP-100T-L343 风量13.8M3/MIN 电压380V 功率0.4KW。紧凑型系列是为了组装到工业设备和设备时具有良好的可操作性和易于使用等各种目的而开发的电动鼓风机。 它是一种高质量设计,可在进气温度高达 60°C 的情况下持续稳定运行,防止吸入气体水分侵入轴承,并防止细小灰尘进入。 注)如果进气温度超过 60°C,请使用耐热型(HT 型)。主要使用用途:印刷机 / 燃烧器 / 塑料挤出机 / 厨房机械 / 木工机械 / 清洗机 / 热风发生器 / 暖库 / 设备冷却 / 普通鼓风机 / 烘干机 / 焚烧炉 / 糖果机 / 除尘器 。
苏州上野机电设备有限公司是一家日本进口机械供应商。主要经营日本SHOWA昭和电机株式会社鼓风机等,我们还与其他厂商建立了良好的代理协作关系,为顾客提供种类繁多价格可靠的众多产品。2022年我司集中时间精力,重点服务在华日企,央企国企以及A股上市股份等做装配的生产型企业,从价格和货期等方面支持客户朋友们,争取一起做大做强业务。
苏州上野公司张涛批发销售的型号:
日本SHOWA昭和电机株式会社鼓风机型号EP-100T-L343 风量13.8M3/MIN 电压380V 功率0.4KW
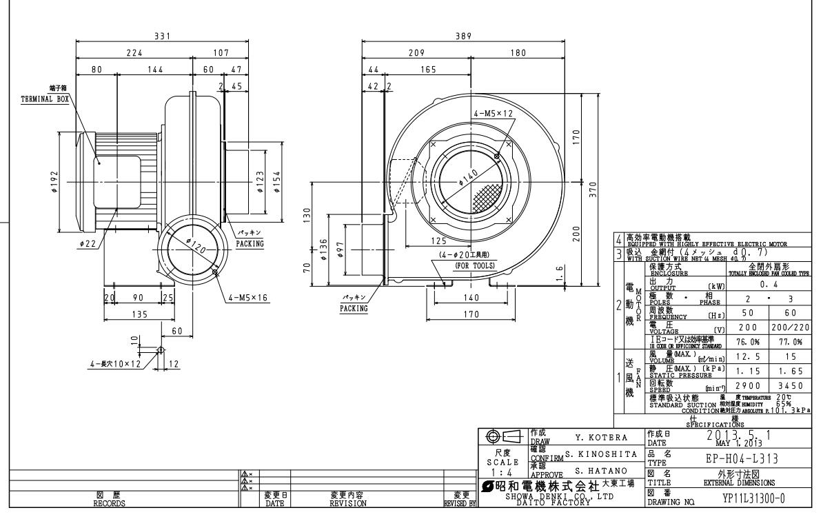
日本SHOWA昭和电机株式会社鼓风机型号EP-H04-L343
日本SHOWA昭和电机株式会社鼓风机型号EP-H04-R313我司苏州仓库有现货
日本SHOWA昭和电机株式会社鼓风机型号EP-H04-R343
苏州上野公司张涛批发销售的型号:
日本昭和风机型号AH-H10HT-L313
日本昭和风机型号AH-H10HT-M343
苏州上野公司张涛批发销售的型号:
日本昭和风机SHOWA DENKI型号:ME-AH-1000HT-L213
日本昭和风机SHOWA DENKI型号:ME-AH-1000HT-R213
日本昭和风机SHOWA DENKI型号:EC-125HT-L143旧产品,现行品:EC-H10HT-L143
日本昭和风机SHOWA DENKI型号:EC-125HT-L243
日本昭和风机型号EP-H04-42-M213电压200V/50HZ
日本昭和风机型号EP-H04-L313
日本昭和风机型号EP-H04-R313电压200V
日本昭和风机型号EP-H04-L313电压200V
日本昭和风机SHOWA DENKI型号:EP-H04HT-L313
日本昭和风机SHOWA DENKI型号:EP-H04HT-213-L313这是特殊品
日本昭和风机SHOWA DENKI型号:EP-H04HT-L313
日本昭和风机SHOWA DENKI型号:EP-100THT-213-L313 S/N:071365901
日本昭和风机SHOWA DENKI型号:EP-100THT-A8X-L313
日本昭和风机SHOWA DENKI型号:EP-100THT-A8X-L313 S/N;068367901
苏州上野公司张涛批发销售的型号:
日本昭和风机SHOWA DENKI型号:EP-100THT-L213
苏州上野公司张涛批发销售的型号:
日本昭和风机SHOWA DENKI型号:EP-100THT-L313 现行型号:EP-H04HT-L313
日本昭和风机SHOWA DENKI型号:EP-100THT-L313旧产品,现行品:EP-H04HT-L313
日本昭和风机SHOWA DENKI型号:EP-100THT-L341旧型号,现型品EP-H04HT-L343
日本昭和风机SHOWA DENKI型号:EP-100THT-L343
日本昭和风机SHOWA DENKI型号:EP-100T-L313现型号:EP-H04-L313
日本昭和风机SHOWA DENKI型号:EP-100T-L343
日本昭和风机SHOWA DENKI型号:EP-100T-L353
日本昭和风机SHOWA DENKI型号:EP-100T-R213旧型号,现行品:EP-H04-R213
日本昭和风机SHOWA DENKI型号:EP-100T-R343
日本昭和风机SHOWA DENKI型号:EP-125HT-202-R313
日本昭和风机SHOWA DENKI型号:EP-125HT-20-R313特殊品,标准品型号:EP-125TH-R313
日本昭和风机SHOWA DENKI型号:EP-125HT-A8Y-M441
日本昭和风机SHOWA DENKI型号:EP-125HT-A8Y-M441 S/N:164183901
日本昭和风机SHOWA DENKI型号:EP-125HT-I313
苏州上野公司张涛批发销售的型号:
日本昭和风机SHOWA DENKI型号:EP-125HT-L243
日本昭和风机SHOWA DENKI型号:EP-125HT-L313旧产品,现行品:EP-H10HT-L313
日本昭和风机SHOWA DENKI型号:EP-125HT-L341 380V/50HZ
日本昭和风机SHOWA DENKI型号:EP-125HT-L343旧型号,新型号:EP-H10HT-L343
日本昭和风机SHOWA DENKI型号:EP-125HT-R313
日本昭和风机SHOWA DENKI型号:EP-125HY-A8Y-M441
日本昭和风机SHOWA DENKI型号:EP-63SHT-R3H3
日本昭和风机SHOWA DENKI型号:EP-63T-R313
日本昭和风机SHOWA DENKI型号:EP-75S-R3H3
日本昭和风机SHOWA DENKI型号:EP-75T-H441
日本昭和风机SHOWA DENKI型号:EP-75THT-L313
苏州上野公司张涛批发销售的型号:
日本昭和风机SHOWA DENKI型号:EP-75THT-L313 200V 50HZ 0.2KW
日本昭和风机SHOWA DENKI型号:EP-75THT-L321
日本昭和风机SHOWA DENKI型号:EP-75THT-R313
日本昭和风机SHOWA DENKI型号:EP-75THT-R343
日本昭和风机 SHOWA DENKI型号:EC-H10HT-L313
双电压通用220V/60HZ 200V/50HZ 耐高温250度
日本昭和风机 SHOWA DENKI型号:EC-H04HT-R213
双电压通用220V/60HZ 200V/50HZ 耐高温250度
苏州上野公司张涛批发销售的型号:
日本SHOWA昭和耐高温的风机型号KSB-H22HT-L341
双电压通用220V/60HZ 200V/50HZ 耐高温250度
日本SHOWA昭和耐高温的风机型号AH-H10HT-L343
双电压通用220V/60HZ 200V/50HZ 耐高温250度
日本昭和风机SHOWA型号:EP-H04-R313我司苏州仓库有现货
苏州上野公司张涛批发销售的型号:
日本SHOWA昭和电机株式会社风机型号:KSB-H55HT-R311
苏州上野公司张涛批发销售的型号:
日本昭和电机株式会社风机 SHOWA DENKI型号:U100B-H56-R241
日本昭和电机株式会社风机 SHOWA DENKI型号:U100B-H56-R343
日本SHOWA昭和电机株式会社风机电压200V/50HZ 带电机5.5KW 耐热型HT
日本SHOWA昭和电机株式会社风机型号:EP-H04HT-L313 200V
日本SHOWA昭和电机株式会社风机型号:EC-75TGHT-R313
日本SHOWA昭和电机株式会社风机型号:AH-H07-L313 电压200V
日本SHOWA昭和电机株式会社风机型号:SF-38-L3A3电压100V 50/60HZ 功率25瓦
日本SHOWA昭和电机株式会社风机型号:ME-AH-1000HT-L213
日本SHOWA昭和电机株式会社风机型号:ME-AH-1000HT-R213
日本SHOWA昭和电机株式会社风机 型号:KSB-H75-M241
苏州上野公司张涛批发销售的型号:
日本SHOWA昭和电机株式会社风机型号:KSB-H37-R341
日本SHOWA昭和电机株式会社风机型号:KSB-H15HT-R341
日本SHOWA昭和电机株式会社风机型号:EP-75T-L313 200V 50HZ/60HZ
日本SHOWA昭和电机株式会社风机型号:EC-H10HT-L313 电压200V
日本SHOWA昭和电机株式会社风机型号:EC-H04HT-R213 电压200V
苏州上野公司张涛批发销售的型号:
日本SHOWA昭和电机株式会社风机型号:KSB-H75-H241 GB3
日本SHOWA昭和电机株式会社风机型号:EC-H04-L313 电压200V
日本SHOWA昭和电机株式会社风机型号:AH-H37HT-L243
苏州上野公司张涛批发销售的型号:
日本SHOWA昭和电机株式会社风机型号:MD-EC-125-R313防爆系列(MD / ME型)
日本SHOWA昭和电机株式会社风机型号:ME-FS-07-R313
日本SHOWA昭和电机株式会社风机型号:AH-H04HT-L343 380V 50/60HZ
苏州上野公司张涛批发销售的型号:
日本昭和 螺旋浆式鼓风机 SHOWA DENKI型号:KT00
参数: 带电机,功率75KW 电压380V/50HZ 要求风量:800m³/min
苏州上野公司张涛批发销售的型号:
日本SHOWA-DENKI昭和涡轮风机型号:B3V06-R2S2A
吸气温度:常温(MAX50℃)屋内型 方向:右旋转上不垂直吐出(从PULLY侧看)
电压380V/50HZ 7.5KW
苏州上野公司张涛批发销售的型号:
日本SHOWA昭和电机株式会社风机型号:U2S-150 电压200V 50/60HZ
日本SHOWA昭和电机株式会社风机型号:KSB-H22HT-R311
日本SHOWA昭和电机株式会社风机型号:U75-H3HT-R313 电压200V 50/60HZ
日本SHOWA昭和电机株式会社风机型号:EC-H10HT-L213
日本SHOWA昭和电机株式会社风机型号:EC-H10HT-L213
日本SHOWA昭和电机株式会社风机型号:EC-75THT-A9X-L343
日本SHOWA昭和电机株式会社风机型号:KSB-H15HT-A8X-R341 C
日本SHOWA昭和电机株式会社风机型号:AH-400-L213
日本SHOWA昭和电机株式会社风机型号:EC-H10-R313
日本SHOWA昭和电机株式会社风机型号:U2S-370
日本SHOWA昭和电机株式会社风机型号:MD-FS-200-R313
苏州上野公司张涛批发销售的型号:
日本SHOWA昭和电机株式会社风机 型号:EP-H10HT-L313
日本SHOWA昭和电机株式会社风机 型号:EP-H07HT-L313
MR.ZHANG Mobile Phone 188-9698-4864
苏州上野公司张涛批发销售的型号:
日本SHOWA昭和电机株式会社风机型号:AH-H04-L343 380V 50/60HZ
日本SHOWA昭和电机株式会社风机型号:AH-H07-L341C 380V 50/60HZ
日本SHOWA昭和电机株式会社风机型号:EP-H04HT-L343 380V 50HZ 4pcs
日本SHOWA昭和电机株式会社风机型号:U100B-H56-R343 3.7KW 380V 50/60HZ
日本SHOWA昭和电机株式会社风机型号:SB-75HT-L243
苏州上野公司张涛批发销售的型号:
日本SHOWA昭和电机株式会社风机型号:FSM-H07-R341C 380V/50HZ
日本SHOWA昭和电机株式会社风机型号:FS-H22-R341C 电压380V
日本SHOWA昭和电机株式会社风机型号:FS-H15-R341C 电压380V
苏州上野公司张涛批发销售的型号:
日本昭和电动鼓风机防爆系列(MD / ME型)型号:MD-EC-125-R313电压200V 50/60HZ
日本昭和电动鼓风机防爆系列(MD / ME型)型号:MD-SB-75-R213 电压200V 50/60HZ
日本昭和电动鼓风机防爆系列(MD / ME型)型号:ME-AH-1000HT-L213
日本昭和电动鼓风机防爆系列(MD / ME型)型号:ME-AH-1000HT-R213
日本昭和电动鼓风机防爆系列(MD / ME型)型号:ME-FS-07-R313
苏州上野公司张涛批发销售的型号:
日本昭和风机型号:ME-FS-07-R313防爆型
日本昭和风机型号:ME-FS-07-R313防爆型
日本昭和风机型号:MD-FS-200-R313搭载耐压防爆马达
苏州上野公司张涛批发销售的型号:
日本昭和电动送风机型号:KSB-H75-R241
日本昭和电动送风机型号:KSB-H75-M241电压380V/50HZ
苏州上野公司张涛批发销售的型号:
日本昭和风机 SHOWA型号:AH-H04HT-L341C
日本昭和风机 SHOWA型号:AH-H04HT-L343
苏州上野公司张涛批发销售的型号:
日本昭和风机SHOWA DENKI型号:EC-H04HT-R213
日本昭和风机SHOWA DENKI型号:EC-H04HT-R313
日本昭和风机SHOWA DENKI型号:EC-H04HT-L313
日本昭和风机SHOWA DENKI型号:EC-H04HT-L213
日本昭和风机SHOWA DENKI型号:EC-H10HT-L313
日本昭和风机SHOWA DENKI型号:EC-H10HT-R313
日本昭和风机SHOWA DENKI型号:EC-H10HT-H313
日本昭和风机SHOWA DENKI型号:EC-H10HT-M313
苏州上野公司张涛批发销售的型号:
日本SHOWA昭和耐高温的风机型号KSB-H22HT-L341
日本SHOWA昭和耐高温的风机型号KSB-H22HT-L343
日本SHOWA昭和耐高温的风机型号AH-H10HT-L313
日本SHOWA昭和耐高温的风机型号AH-H10HT-L343
日本昭和风机SHOWA-DENKI型号EP-75T-L313 电压200V 50/60HZ
日本昭和风机SHOWA-DENKI型号FSM-H07-R341C 380V/50HZ
日本昭和风机SHOWA-DENKI型号KSB-H22HT-R311 电压200V 50HZ
日本昭和风机SHOWA-DENKI型号ME-AH-1000HT-L213
日本昭和风机SHOWA-DENKI型号ME-AH-1000HT-R213
日本昭和风机SHOWA-DENKI型号EC-H10HT-L213
日本昭和风机SHOWA-DENKI型号KSB-H22HT-L341
日本昭和风机SHOWA型号:KSB-H15HT-A8X-R341C
日本昭和风机SHOWA型号:KSB-H15HT-R241C
日本昭和风机SHOWA型号:EP-H04-R313我司仓库有现货
日本昭和风机SHOWA型号:KSB-1500HT-R241
日本昭和风机SHOWA型号:AH-H37HT-L213 200V 50/60HZ 日本国内式样
日本昭和风机SHOWA型号:AH-H22-L313 200V 50/60HZ 日本国内式样
日本昭和风机SHOWA型号:U2V-30T 电压200V
苏州上野公司张涛批发销售的型号:
日本昭和风机SHOWA型号:FS-H22-R341C 电压380V
日本昭和风机SHOWA型号:FS-H15-R341C 电压380V
日本昭和风机SHOWA型号:KSB-H55HT-R311 电压200V/50HZ 带电机5.5KW 耐热型HT
日本昭和风机SHOWA型号:AH-H15-L313 200V
日本昭和风机SHOWA型号: AH-400-L343参数0.2KW 2P 三相 电压380V 50HZ
日本昭和风机SHOWA型号:EP-H04HT-L313 200V
日本昭和风机SHOWA型号:EC-75TGHT-R313 电压200V 50/60HZ
日本昭和风机SHOWA型号:FSM-H07-R341C 380V/50HZ
日本昭和风机SHOWA型号: U2V-70T 电压200V
日本昭和风机SHOWA型号:AH-H07-L313 电压200V
苏州上野公司张涛批发销售的型号:
日本昭和风机SHOWA型号:SF-38-L3A3 电压100V 50/60HZ 功率25瓦
日本昭和风机SHOWA型号:U75-H2HT-R313
日本昭和风机SHOWA型号:EP-H04-R313 电压200V
日本昭和风机SHOWA型号:KT00 参数: 带电机,功率75KW 电压380V/50HZ 要求风量:800m³/min
日本昭和风机SHOWA型号:AH-H04-L343 380V 50/60HZ
日本昭和风机SHOWA型号:U100B-H65-R343 380V 50HZ 60HZ
日本昭和风机SHOWA型号:EP-H04HT-L343 380v 0.4kw
日本昭和风机SHOWA型号:KSB-H37-R341C
日本昭和风机SHOWA型号:EP-75T-L313 200V 50HZ/60HZ
日本昭和风机SHOWA型号:ME-AH-1200-L313 电压200V 50/60Hz
日本昭和风机SHOWA型号:KSB-H22-R342 电压380V/60HZ
日本昭和风机SHOWA型号:AH-H10HT-L343 电压380V 50/60HZ
日本昭和风机SHOWA型号:KSB-H22HT-L341 电压380V/50HZ
日本昭和风机SHOWA型号:AH-H10HT-L341 电压380V/50HZ
日本昭和风机SHOWA型号:EP-75T-L313 200V 50HZ/60HZ
日本昭和风机SHOWA型号: SB-75HT-L243
日本昭和风机SHOWA型号:EC-75THT-A9X-L343
日本昭和风机SHOWA型号:KSB-H55-R341
MR.ZHANG Mobile Phone 188-9698-4864
日本昭和风机SHOWA型号:AH-H15HT-L241
日本昭和风机SHOWA型号:MD-EC-100T-R313 200V 50/60HZ
日本昭和风机SHOWA型号:U75-H5-R343
日本昭和风机SHOWA型号:AH-H22-L343
日本昭和风机SHOWA型号:AH-H22-L343
日本昭和风机SHOWA型号:EC-H10-R353
日本昭和风机SHOWA型号:U75-H5-R343
日本昭和风机SHOWA型号:EC-75TGHT-R313
日本昭和风机SHOWA型号:EC-H10-R313
日本昭和风机SHOWA型号:EC-H07HT-L443 380V 50/60HZ
日本昭和风机SHOWA型号:MD-FS-200-R313
日本昭和风机SHOWA型号:AH-H07-L343
日本昭和风机SHOWA型号:EP-75T-L313 200V 50HZ/60HZ
苏州上野公司张涛批发销售的型号:
日本昭和风机SHOWA型号:EC-H10HT-L213
日本昭和风机SHOWA型号:KSB-H22HT-R311
日本昭和风机SHOWA型号:ME-AH-1000HT-L213
日本昭和风机SHOWA型号:ME-AH-1000HT-R213
日本昭和风机SHOWA型号:B3V06-R2S2AM 带电机 电压380V/50HZ 7.5KW
吸气温度:常温(MAX50℃)屋内型 方向:右旋转 上部垂直吐出(从PULLY侧看)
日本昭和风机SHOWA型号:U100B-H56-R343 3.7KW 380V 50/60HZ
日本昭和风机SHOWA型号: EC-H15HT-L343
日本昭和风机SHOWA型号:U75-H3HT-R313 电压200V 50/60HZ
日本昭和风机SHOWA型号:U2S-150 电压200V 50/60HZ
日本昭和风机SHOWA型号:KSB-H22HT-R311
日本昭和风机SHOWA型号:MD-AH-1000HT-L241C
日本昭和风机SHOWA型号:EC-H10HT-L213
苏州上野公司张涛批发销售的型号:
日本昭和风机型号EP-H04-R313
日本昭和风机型号EP-H04-410-R312
日本昭和风机型号ME-AH-1000HT-L213
日本昭和风机型号ME-AH-1000HT-R213
日本昭和风机型号EP-H04HT-R313
日本昭和风机型号EP-H04HT-410-R312
苏州上野公司张涛批发销售的型号:
日本昭和鼓风机SHOWA-DENKI型号:KSB-H37-R341C电压380V/50HZ 风量:65m³/min
日本昭和鼓风机SHOWA-DENKI型号:KT00 参数:380V/50HZ 电机功率75KW 风量:800m³/min
日本昭和鼓风机SHOWA-DENKI型号:B2V06-R2S2AM 参数:380V/50HZ 电机功率7.5KW 2P 风量:40m³/min
日本昭和鼓风机SHOWA-DENKI型号: U2V-70T 电压200V
日本昭和鼓风机SHOWA-DENKI型号:EP-H04-42-M213 电压200V
日本昭和鼓风机SHOWA-DENKI型号:EP-H04-L213 电压200V
苏州上野公司张涛批发销售的型号:
日本昭和鼓风机SHOWA-DENKI型号:EC-75THT-L313
日本昭和鼓风机SHOWA-DENKI型号:U75-H3-R113
日本昭和鼓风机SHOWA-DENKI型号:U100B-H36-R241C 电压380V/50HZ 功率2.2KW 净重约44公斤
日本昭和鼓风机SHOWA-DENKI型号:U100B-35-DOO-M311 电压200V
苏州上野公司张涛批发销售的型号:
日本昭和风机型号KSB-H22HT-L341
日本昭和风机型号KSB-H22HT-L341C
日本昭和风机型号KSB-H22HT-L343
日本昭和风机型号KSB-H22HT-L313
日本昭和风机型号KSB-H22HT-R341
日本昭和风机型号KSB-H22HT-R341C
日本昭和风机型号KSB-H22HT-R343
日本昭和风机型号KSB-H22HT-R313
日本昭和风机型号KSB-H22HT-A8X-L341C 耐高温350度
MR.ZHANG Mobile Phone 188-9698-4864
日本昭和风机型号KSB-H22HT-A9X-L341C 耐高温400度
苏州上野公司张涛批发销售的型号:
日本昭和风机型号AH-H10HT-R341C
日本昭和风机型号AH-H10HT-L341C
日本昭和风机型号AH-H10HT-R343
日本昭和风机型号AH-H10HT-L343
日本昭和风机型号AH-H10HT-R313