【 微信扫码咨询 】

日本KURASHIKI KAKO仓敷化工防震橡胶:KA-8 日本原装进口 苏州上野机电设备有限公司是一家专业的日本机械零部件供应商。我司询价咨询电话或微信:17895046997 刘先生
性能·特点:
1.结构简单便宜
构造简单,安装也容易。
2.安装空间小
小型且相对较大的弹簧常数,可以支持较大的负荷。
3.可以有各种各样的支持方法
根据安装方向,除了压缩方向、剪切方向外,还可用于倾斜方向,具有广泛的应用性。
4.可简单对应特订品
数量在一定程度上集中的话,橡胶硬度和材质也可以变更。

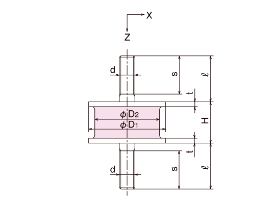
| 品番 | 標準寸法 mm | Z方向支持荷重 | 許容荷重 N {kgf} | Z方向ばね定数 Kz | 剛性比 | |||||||
| D₁ | D₂ | H | t | d | ℓ | s | N {kgf} | Z方向 | X方向 | N/mm {kgf/cm} | Kx/Kz | |
| KA-8 | 8 | 8 | 11 | 1 | M3 | 10 | 9 | ~ 21 { 2.1 } | 36 { 3.7 } | 7 { 0.7 } | 17 { 17 } | 0.17 |
| KA-10 | 10 | 10 | 13 | 1 | M4 | 10 | 9 | ~ 34 { 3.5 } | 58 { 5.9 } | 9.8 { 1 } | 22 { 22 } | 0.16 |
| KA-12 | 12 | 10 | 16 | 2 | M5 | 12 | 11 | ~ 78 { 8 } | 110 { 11 } | 25 { 2.5 } | 41 { 42 } | 0.2 |
| KA-15 | 15 | 12 | 15 | 2 | M5 | 15 | 12 | ~ 130 { 13 } | 160 { 16 } | 34 { 3.5 } | 74 { 75 } | 0.2 |
| KA-20 | 20 | 15 | 15 | 2 | M6 | 15 | 13 | ~ 160 { 16 } | 280 { 29 } | 69 { 7 } | 130 { 130 } | 0.15 |
| KA-20-20H | 20 | 15 | 20 | 2 | M6 | 15 | 13 | ~ 98 { 10 } | 180 { 18 } | 49 { 5 } | 78 { 80 } | 0.19 |
| KA-25 | 25 | 20 | 18 | 2.3 | M6 | 18 | 16 | ~ 240 { 24 } | 480 { 49 } | 88 { 9 } | 180 { 180 } | 0.16 |
| KA-25-27H | 25 | 20 | 27 | 2.3 | M6 | 18 | 16 | ~ 160 { 16 } | 310 { 32 } | 59 { 6 } | 93 { 95 } | 0.2 |
| KA-25-30H | 25 | 20 | 30 | 2.3 | M6 | 18 | 16 | ~ 190 { 19 } | 370 { 38 } | 59 { 6 } | 74 { 75 } | 0.18 |
| KA-30 | 30 | 25 | 18 | 2.3 | M8 | 24 | 20 | ~ 450 { 46 } | 890 { 91 } | 170 { 17 } | 310 { 320 } | 0.16 |
| KA-30-26H | 30 | 25 | 26 | 2.3 | M8 | 24 | 20 | ~ 300 { 31 } | 610 { 62 } | 120 { 12 } | 140 { 145 } | 0.19 |
| KA-35 | 35 | 30 | 26 | 2.3 | M8 | 24 | 20 | ~ 490 { 50 } | 980 { 100 } | 250 { 25 } | 240 { 240 } | 0.17 |
| KA-35-35H | 35 | 30 | 35 | 2.3 | M8 | 24 | 20 | ~ 370 { 38 } | 740 { 75 } | 200 { 20 } | 150 { 150 } | 0.2 |
| KA-40 | 40 | 34 | 25 | 2.3 | M8 | 30 | 25 | ~ 930 { 95 } | 1810 { 185 } | 360 { 37 } | 340 { 350 } | 0.17 |
| KA-40-33H | 40 | 34 | 33 | 2.3 | M8 | 30 | 25 | ~ 540 { 55 } | 1100 { 110 } | 250 { 25 } | 220 { 220 } | 0.19 |
| KA-40-40H | 40 | 34 | 40 | 2.3 | M8 | 30 | 25 | ~ 580 { 59 } | 1160 { 118 } | 170 { 17 } | 160 { 160 } | 0.18 |
| KA-45 | 45 | 38 | 34 | 3.2 | M8 | 29 | 25 | ~ 830 { 85 } | 1700 { 170 } | 290 { 30 } | 290 { 300 } | 0.2 |
| KA-45-45H | 45 | 38 | 45 | 3.2 | M8 | 29 | 25 | ~ 650 { 66 } | 1300 { 130 } | 210 { 21 } | 170 { 170 } | 0.16 |
| KA-50 | 50 | 42 | 27 | 3.2 | M10 | 30 | 25 | ~ 1230 { 125 } | 2500 { 250 } | 590 { 60 } | 610 { 620 } | 0.17 |
| KA-50-40H | 50 | 42 | 40 | 3.2 | M10 | 30 | 25 | ~ 880 { 90 } | 1800 { 180 } | 390 { 40 } | 270 { 280 } | 0.19 |
| KA-55 | 55 | 47 | 40 | 3.2 | M10 | 35 | 30 | ~ 1200 { 120 } | 2400 { 242 } | 400 { 41 } | 350 { 360 } | 0.17 |
| KA-55-54H | 55 | 47 | 54 | 3.2 | M10 | 35 | 30 | ~ 1100 { 110 } | 2300 { 230 } | 390 { 40 } | 250 { 250 } | 0.16 |
| KA-60 | 60 | 52 | 30 | 3.2 | M12 | 35 | 35 | ~ 1860 { 190 } | 3700 { 380 } | 750 { 76 } | 780 { 800 } | 0.16 |
| KA-60-34H | 60 | 52 | 34 | 3.2 | M12 | 35 | 35 | ~ 2110 { 215 } | 4200 { 430 } | 930 { 95 } | 650 { 660 } | 0.18 |
| KA-60-58H | 60 | 52 | 58 | 3.2 | M12 | 35 | 35 | ~ 1400 { 140 } | 2700 { 280 } | 590 { 60 } | 270 { 280 } | 0.2 |
| KA-65 | 65 | 56 | 34 | 3.2 | M12 | 35 | 35 | ~ 2300 { 230 } | 4400 { 450 } | 640 { 65 } | 780 { 800 } | 0.16 |
| KA-65-50H | 65 | 56 | 50 | 3.2 | M12 | 35 | 35 | ~ 1800 { 180 } | 3500 { 360 } | 540 { 55 } | 410 { 420 } | 0.17 |
| KA-75 | 75 | 65 | 42 | 4.5 | M12 | 45 | 45 | ~ 2900 { 300 } | 5900 { 600 } | 880 { 90 } | 860 { 880 } | 0.16 |
| KA-75-63H | 75 | 65 | 63 | 4.5 | M12 | 45 | 45 | ~ 2100 { 210 } | 4100 { 420 } | 710 { 72 } | 380 { 390 } | 0.17 |
| KA-80 | 80 | 70 | 40 | 4.5 | M12 | 45 | 45 | ~ 4170 { 425 } | 8300 { 850 } | 2000 { 200 } | 1350 { 1380 } | 0.15 |
| KA-80-55H | 80 | 70 | 55 | 4.5 | M12 | 45 | 45 | ~ 2900 { 300 } | 5900 { 600 } | 1100 { 110 } | 660 { 670 } | 0.17 |
| KA-90 | 90 | 80 | 50 | 4.5 | M12 | 45 | 45 | ~ 3700 { 380 } | 7500 { 760 } | 1200 { 120 } | 900 { 920 } | 0.16 |
| KA-90-76H | 90 | 80 | 76 | 4.5 | M12 | 45 | 45 | ~ 2900 { 300 } | 5900 { 600 } | 1200 { 120 } | 520 { 530 } | 0.17 |
| KA-100 | 100 | 90 | 50 | 4.5 | M16 | 55 | 55 | ~ 6200 { 630 } | 12400 { 1260 } | 2500 { 250 } | 1610 { 1640 } | 0.14 |
| KA-100-70H | 100 | 90 | 70 | 4.5 | M16 | 55 | 55 | ~ 3580 { 365 } | 7200 { 730 } | 1720 { 175 } | 750 { 760 } | 0.18 |
| KA-120 | 120 | 110 | 60 | 8 | M16 | 51 | 51 | ~ 7700 { 785 } | 15400 { 1570 } | 3090 { 315 } | 2160 { 2200 } | 0.13 |
| KA-150 | 150 | 140 | 62 | 8 | M20 | 57 | 57 | ~ 12700 { 1300 } | 25500 { 2600 } | 5100 { 520 } | 3970 { 4050 } | 0.11 |
苏州上野机电设备有限公司销售型号:
KA-8 苏州上野
KA-10 仓敷化工
KA-12 SUZHOU SHANGYE
KA-12(45) KURASHIKI KAKO
KA-12CR 苏州上野
KA-12SUS 仓敷化工
KA-15 SUZHOU SHANGYE
KA-15(45) KURASHIKI KAKO
KA-15CR 苏州上野
KA-15SUS 仓敷化工
KA-20 SUZHOU SHANGYE
KA-20-20H KURASHIKI KAKO
KA-20-20H(45) 苏州上野
KA-20-20HCR 仓敷化工
KA-20-20HSUS SUZHOU SHANGYE
KA-20(45) KURASHIKI KAKO
KA-20CR 苏州上野
KA-20SUS 仓敷化工
KA-25 SUZHOU SHANGYE
KA-25-27H KURASHIKI KAKO
KA-25-27H(45) 苏州上野
KA-25-27HCR 仓敷化工
KA-25-27HSUS SUZHOU SHANGYE
KA-25(45) KURASHIKI KAKO
KA-25CR 苏州上野
KA-25SUS 仓敷化工
KA-30 SUZHOU SHANGYE
KA-30-26H KURASHIKI KAKO
KA-30-26H(45) 苏州上野
KA-30-26HCR 仓敷化工
KA-30-26HSUS SUZHOU SHANGYE
KA-30(45) KURASHIKI KAKO
KA-30CR 苏州上野
KA-30SUS 仓敷化工
KA-35 SUZHOU SHANGYE
KA-35-35H KURASHIKI KAKO
KA-35-35H(45) 苏州上野
KA-35-35HCR 仓敷化工
KA-35-35HSUS SUZHOU SHANGYE
KA-35(45) KURASHIKI KAKO
KA-35CR 苏州上野
KA-35SUS 仓敷化工
KA-40 SUZHOU SHANGYYE
KA-40-33H KURASHIKI KAKO
KA-40-33H(45) 苏州上野
KA-40-33HCR 仓敷化工
KA-40-33HSUS SUZHOU SAHNGYE
KA-40(45) KURASHIKI KAKO
KA-40CR 苏州上野
KA-40SUS 仓敷化工
KA-45 SUZHOU SAHNGYE
KA-45-45H KURASHIKI KAKO
KA-50 苏州上野
KA-50-40H 仓敷化工
KA-50-40H(45) SUZHOU SHANGYE
KA-50-40HCR KURASHIKI KAKO
KA-50-40HSUS 苏州上野
KA-50(45) 仓敷化工
KA-50CR SUZHOU SHANGYE
KA-50SUS KURASHIKI KAKO
KA-55 苏州上野
KA-55-54H 仓敷化工
KA-60 SUZHOU SHANGYE
KA-60-34H KURASHIKI KAKO
KA-60-58H 苏州上野
KA-65 仓敷化工
KA-65-50H SUZHOU SHSANGYE
KA-75 KURASHIKI KAKO
KA-80 苏州上野
KA-80-55H 仓敷化工
KA-90 SUZHOU SHANGYE
KA-90-76H KURASHIKI KAKO
KA-100 苏州上野
KA-100-70H 仓敷化工
KA-120 SUZHOU SHANGYE
KA-150 苏州上野
KB-20 仓敷化工
KB-20-20H SUZHOU SAHNGYE
KB-25 KURASHIKI KAKO
KB-25-27H 苏州上野
KB-30 仓敷化工
KB-30-26H SUZHOU SHANGYE
KB-35 KURASHIKI KAKO
KB-35-35H 苏州上野
KB-40 仓敷化工
KB-40-33H SUZHOU SHANGYE
KB-45 KURASHIKI KAKO
KB-45-45H 苏州上野
KB-50 仓敷化工
KB-50-40H SUZHOU SHANGYE
KB-55 KURASHIKI KAKO
KB-55-54H 苏州上野
KB-60 仓敷化工
KB-60-34H SUZHOU SHANGYE
KB-60-58H KURASHIKI KAKO
KB-65 苏州上野
KB-65-50H 仓敷化工
KB-75 SUZHOU SHANGYE
KB-75-63H KURASHIKI KAKO
KB-80 苏州上野
KB-80-55H 仓敷化工
KB-90 SUZHOU SHANGYE
KB-90-76H KURASHIKI KAKO
KB-100 苏州上野
KB-100-70H 仓敷化工
KB-120 SUZHOU SHANGYE
KB-150 KURASHIKI KAKO
RA-8 苏州上野
RA-10 仓敷化工
RA-12 SUZHOU SHANGYE
RA-15 KURASHIKI KAKO
RA-20 苏州上野
RA-20-20H 仓敷化工
RA-25 SUZHOU SHANGYE
RA-25-27H KURASHIKI KAKO
RA-30 苏州上野
RA-30-26H 仓敷化工
RA-35 SUZHOU SAHNGYE
RA-35-35H KURASHIKI KAKO
RA-40 苏州上野
RA-40-33H 仓敷化工
RA-45 SUZHOU SAHNGYE
RA-45-45H KURASHIKI KAKO
RA-50 苏州上野
RA-50-40H 仓敷化工
RA-55 SUZHOU SHANGYE
RA-55-54H KURASHIKI KAKO
RA-60 苏州上野
RA-60-34H 仓敷化工
RA-60-58H SUZHOU SHANGYE
RA-65 KURASHIKI KAKO
RA-65-50H 苏州上野
RA-75 仓敷化工
RA-80 SUZHOU SAHNGYE
RA-80-55H KURASHIKI KAKO
RA-90 苏州上野
RA-90-76H 仓敷化工
RA-100 SUZHOU SHANGYE
RA-100-70H KURASHIKI KAKO
RA-120 苏州上野
RA-150 仓敷化工
RB-20 SUHOU SHANGYE
RB-20-20H KURASHIKI KAKO
RB-25 苏州上野
RB-25-27H 仓敷化工
RB-30 SUZHOU SHANGYE
RB-30-26H KURASHIKI KAKO
RB-35 苏州上野
RB-35-35H 仓敷化工
RB-40 SUZHOU SHANGYE
RB-40-33H KURASHIKI KAKO
RB-45 苏州上野
RB-45-45H 仓敷化工
RB-50 SUZHOU SHANGYE
RB-50-40H KURASHIKI KAKO
RB-55 苏州上野
RB-55-54H 仓敷化工
RB-60 SUZHOU SHANGYE
RB-60-34H KURASHIKI KAKO
RB-60-58H 苏州上野
RB-65 仓敷化工
RB-65-50H SUZHOU SHANGYE
RB-75 KURASHIKI KAKO
RB-75-63H 苏州上野
RB-80 仓敷化工
RB-80-55H SUZHOU SHANGYE
RB-90 KURASHIKI KAKO
RB-90-76H 苏州上野
RB-100 仓敷化工
RB-100-70H SUZHOU SHANGYE
RB-120 KURASHIKI KAKO
RB-150 苏州上野