全国服务热线: 0512-6605 1469
首页产品资讯
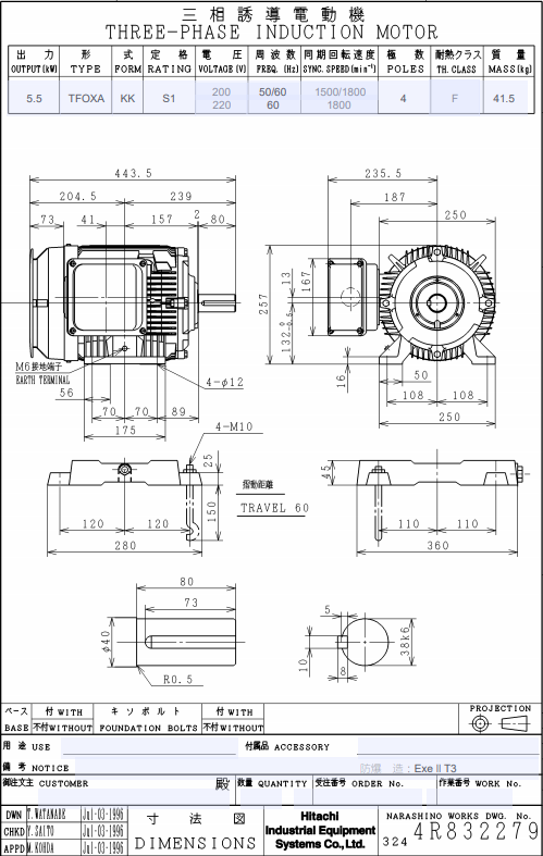
日立HITACHI减速电机型号:TFOXA-KK-5.5KW-4P-200V-50/60HZ
发布时间:2023-04-25 11:07:31 点击次数:480

日立HITACHI减速电机型号:TFOXA-KK-5.5KW-4P-200V-50/60HZ


苏州上野公司品牌负责人联系电话:17895046997   刘先生   同微信


微信图片_20230423170336.png



品牌日立
种类低圧马达
型式TFOXA-KK
出力5.5KW 
极数4P
电压200V
频率50/60Hz
规格低压通用支脚安装(横)型
其他详情:IE1室外安全增防爆(eG3)
状態:木枠※汚れ有

image.png


image.png




  • 热线电话:0512-8781 4269 分机号:802
  • :1789-5046-997 1889-6984-864
  • :0512-6605 1469
  • :0512-6605 1489
  • 联系人:刘工
  • :2461896109@qq.com
  • :www.mekasys.cn
  • :苏州市吴中区南湖路71号天贸大厦509室
  • 微信二维码 微信二维码
  • 官网二维码 官网二维码

版权归苏州上野机电设备有限公司所有苏ICP备16035515号 技术支持:易动力网络