【 微信扫码咨询 】
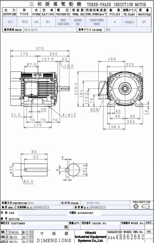
日本原装进口HITACHI日立减速机TFO-LK-3.7KW-4P-200V-50/60HZ
苏州上野公司品牌负责人联系电话:17895046997 刘先生 同微信
.
| 品牌 | 日立 |
| 种类 | 低圧马达 |
| 型式 | TFO-LK |
| 出力 | 3.7KW 10未満kwクラス |
| 极数 | 4P |
| 电压 | 200V |
| 频率 | 50/60Hz |
| 规格 | 低圧汎用 脚取付(横)型 |
| その他 | 详情:全閉外扇屋外仕様 IE3 |
| 枠番:112M | |
| 其他厂商相同规格品:SF-PR,IKH3-FBKA21E,MLU1115A |




