全国服务热线: 0512-6605 1469
首页产品资讯
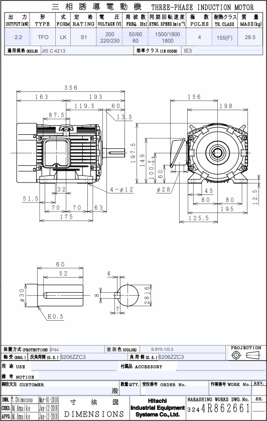
日立减速电机型号: TFO-LK-2.2KW-4P-200V-50/60HZ(HITACHI)日本产
发布时间:2023-04-27 10:23:56 点击次数:555

日立减速电机型号: TFO-LK-2.2KW-4P-200V-50/60HZ(HITACHI)日本产


苏州上野公司品牌负责人联系方式:17895046997   刘先生   同微信


09761e98bc03d89859b84886fce79ff.jpg



品牌日立
种类低圧马达
型式TFO-LK
出力2.2KW  
极数4P
电压200V
频率50/60Hz
规格低压通用脚安装(横)型
其他详情:全闭外扇室外规格  IE3
枠番:100L
其他厂商相同规格品:SF-PR、IKH3-FBKA21E、MLU1107A

image.png

image.png

image.png

image.png




  • 热线电话:0512-8781 4269 分机号:802
  • :1789-5046-997 1889-6984-864
  • :0512-6605 1469
  • :0512-6605 1489
  • 联系人:刘工
  • :2461896109@qq.com
  • :www.mekasys.cn
  • :苏州市吴中区南湖路71号天贸大厦509室
  • 微信二维码 微信二维码
  • 官网二维码 官网二维码

版权归苏州上野机电设备有限公司所有苏ICP备16035515号 技术支持:易动力网络