全国服务热线: 0512-6605 1469
首页产品资讯
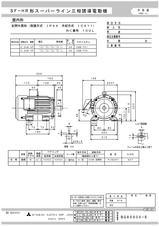
三菱电机株式会社减速电机型号SF-HR 2.2KW 4P 200V 50/60HZ
发布时间:2023-04-27 11:31:01 点击次数:1059

三菱电机株式会社减速电机型号SF-HR 2.2KW 4P 200V 50/60HZ


苏州上野公司品牌负责人联系电话:17895046997  刘先生    同微信

4_6e4469dabbd55650a851cbb0cb1a9d97.jpg



品牌三菱
种类低圧
型式SF-HR
出力2.2KW  
极数4P
电压200V
50/60Hz
通用脚安装(横)型
其他情:全外扇室外格 IE2
枠番:100L

image.png



  • 热线电话:0512-8781 4269 分机号:802
  • :1789-5046-997 1889-6984-864
  • :0512-6605 1469
  • :0512-6605 1489
  • 联系人:刘工
  • :2461896109@qq.com
  • :www.mekasys.cn
  • :苏州市吴中区南湖路71号天贸大厦509室
  • 微信二维码 微信二维码
  • 官网二维码 官网二维码

版权归苏州上野机电设备有限公司所有苏ICP备16035515号 技术支持:易动力网络