【 微信扫码咨询 】
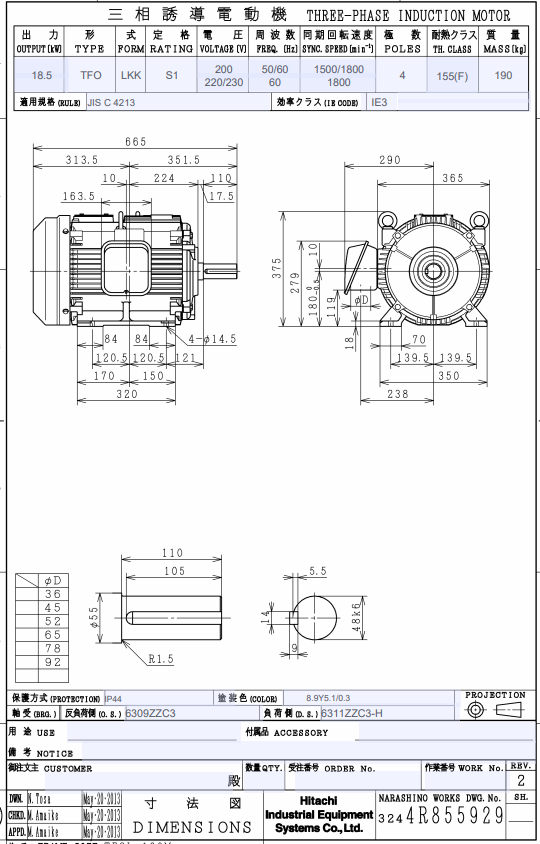
日本原装进口HITACHI日立电机型号:TFO-LKK-18.5KW-4P
苏州上野公司品牌负责人联系方式:17895046997 刘先生 同微信

| 品牌 | 日立 |
| 种类 | 低圧モーター |
| 型式 | TFO-LKK |
| 出力 | 18.5KW 10kwクラス |
| 极数 | 4P |
| 电压 | 200/400V |
| 频率 | 50/60Hz |
| 规格 | 低压通用脚安装(横)型 |
| 其他 | 详情:全闭外扇室外规格 IE3 |
| 枠番:180M | |
| 其他厂商相同规格品:SF-PR、TKKH3-FBK21E、MLU1184A | |
| ※400Vの試験成績書も有り |



