【 微信扫码咨询 】
日本原装进口NIDEC电机型号:FGLQ-5FO- 2.2KW-4P-380V-50HZ
苏州上野公司品牌负责人联系电话:17895046997 刘先生 同微信
| 品牌 | 日本電産(Nidec) |
| 种类 | 低圧马达 |
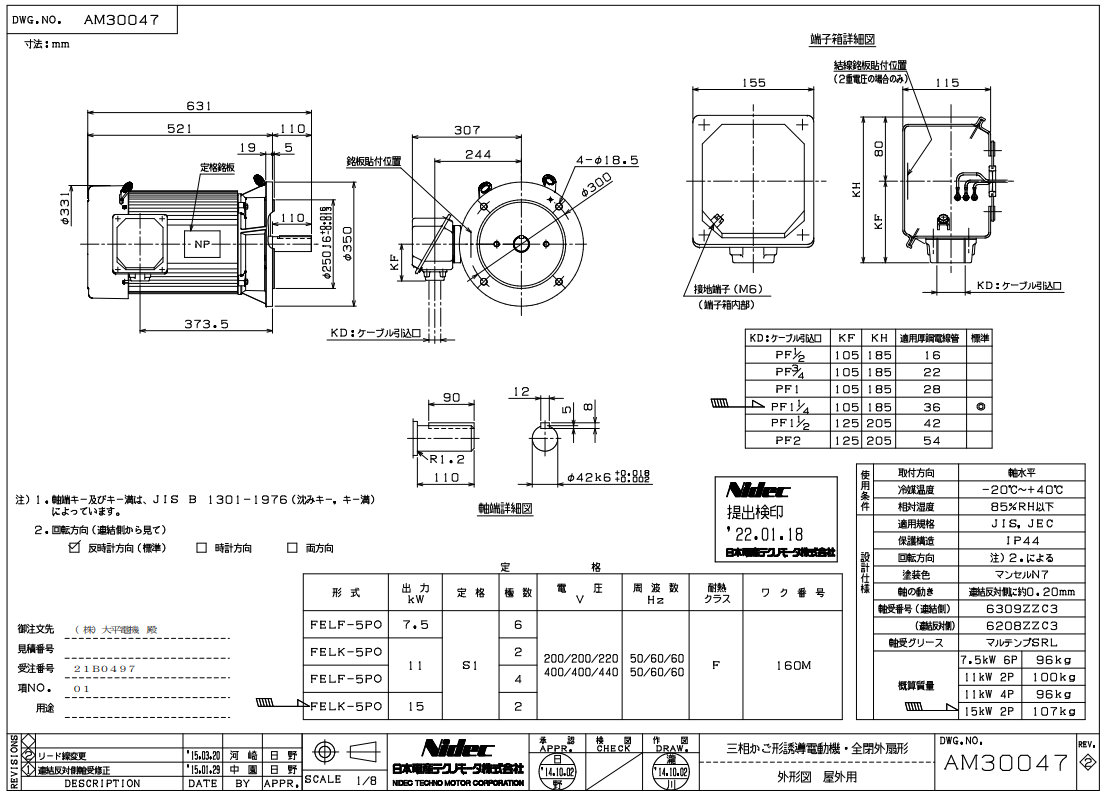
| 型式 | FELK-5PO |
| 出力 | 15KW |
| 极数 | 2P |
| 电压 | 200/400V |
| 频率 | 50/60Hz |
| 规格 | 低压通用法兰(纵)型 |
| 其他 | 详情:全闭外扇室外规格 IE3 |
| 枠番:160M | |
| 其他厂商相同规格品 | |
| 三菱:SF-PRFO | |
| 日立:VTFOA-LKK | |
| 東芝:TKKH3-FCKLW21E | |
| 富士:MLU1165D |

