【 微信扫码咨询 】
有效缓解大冲击力的KURASHIKI KAKO仓敷化工防震橡胶:RI-45HD
苏州上野机电设备有限公司询价咨询电话:17895046997 刘先生 同微信

具有高冲击缓和性,使碰撞时周围变软,防止噪音的产生
制动器KI形·RI形利用弹性体的大变形特性,使之具有高(贵)的冲击缓和性,使碰撞时的周围柔软,防止噪音的发生。
性能和特点
1.有效缓解大冲击力
接触时柔软,弹簧常数随挠曲值增大,可顺利吸收、缓和大的冲击力。
2.防止噪音的产生
耐大负荷变形,且几乎没有磨损。另外接触时不会发出噪音。
3.高阻尼性能
RI形可选用天然橡胶和高阻尼橡胶两种橡胶材料。高阻尼橡胶高清晰度型可提供更高的阻尼性能,吸收振动和碰撞的能量,提供更好的防振和缓冲性能。
4.安装简单
安装非常简单,不需要维护。


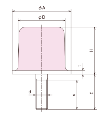
| 品番 | 標準寸法 mm | 最大たわみ mm | 最大吸収エネルギー J {kgf-m} | 最大衝撃力 kN {tonf} | ||||||
|---|---|---|---|---|---|---|---|---|---|---|
| A | D | H | t | ℓ | s | d | ||||
| KI-30 | 30 | 25 | 30 | 2.3 | 24 | 20 | M8 | 14 | 18 { 1.8 } | 4.9 { 0.5 } |
| KI-40 | 40 | 35 | 35 | 2.3 | 30 | 25 | M8 | 17 | 44 { 4.5 } | 10.8 { 1.1 } |
| KI-50 | 50 | 40 | 40 | 3.2 | 30 | 25 | M10 | 19 | 64 { 6.5 } | 13.2 { 1.35 } |
| KI-60 | 60 | 50 | 50 | 3.2 | 35 | 35 | M12 | 24 | 140 { 14 } | 22.6 { 2.3 } |
| KI-80 | 80 | 65 | 65 | 4.5 | 45 | 45 | M12 | 30 | 290 { 30 } | 34.3 { 3.5 } |
| KI-100 | 100 | 80 | 85 | 4.5 | 55 | 55 | M16 | 40 | 590 { 60 } | 49.0 { 5.0 } |
※六角ナット、スプリングワッシャー各1ヶ付きとします。
※ゴム材質は天然ゴム配合硬さ65とします。
高い減衰性能、あるいは振動や衝突の高エネルギーを吸収させたい場合は、高減衰HDタイプをお選びください。
| 品番 | 標準寸法 mm | 最大たわみ mm | 最大吸収エネルギー J {kgf-m} | 最大衝撃力 kN {tonf} | |||||
|---|---|---|---|---|---|---|---|---|---|
| D | H | R | ℓ | s | d | ||||
| RI-25HD | 25 | 25 | 10 | 18 | 16 | M6 | 11 | 8.8 { 0.9 } | 2.7 { 0.28 } |
| RI-30HD | 30 | 31 | 14 | 24 | 20 | M8 | 14 | 19 { 1.9 } | 3.7 { 0.38 } |
| RI-45HD | 45 | 36 | 40 | 29 | 25 | M8 | 16 | 60 { 6.1 } | 11.8 { 1.20 } |
| RI-65HD | 65 | 45 | 50 | 35 | 35 | M12 | 21 | 190 { 19 } | 32.4 { 3.30 } |
※六角ナット、スプリングワッシャー各1ヶ付きとします。
※ゴム材質は特殊合成ゴム配合の高減衰硬さ60とします。
| 品番 | 標準寸法 mm | 最大たわみ mm | 最大吸収エネルギー J {kgf-m} | 最大衝撃力 kN {tonf} | |||||
|---|---|---|---|---|---|---|---|---|---|
| D | H | R | ℓ | s | d | ||||
| RI-25 | 25 | 25 | 10 | 18 | 16 | M6 | 11 | 6.9 { 0.7 } | 2.2 { 0.22 } |
| RI-30 | 30 | 31 | 14 | 24 | 20 | M8 | 14 | 15 { 1.5 } | 3.4 { 0.35 } |
| RI-45 | 45 | 36 | 40 | 29 | 25 | M8 | 16 | 53 { 5.4 } | 12.3 { 1.25 } |
| RI-65 | 65 | 45 | 50 | 35 | 35 | M12 | 21 | 160 { 16 } | 29.8 { 3.04 } |
※六角ナット、スプリングワッシャー各1ヶ付きとします。
※ゴム材質は天然ゴム配合硬さ60とします。
苏州上野机电设备有限公司销售型号:
KI-30
KI-40
KI-50
KI-60
KI-80
KI-100
RI-25HD
RI-30HD
RI-45HD
RI-65HD
RI-25
RI-30
RI-45
RI-65