【 微信扫码咨询 】
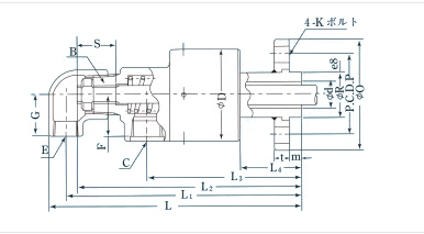
SHOWA-SGK昭和技研旋转接头:RXE4150复式内管固定法兰安装
苏州上野机电设备有限公司询价咨询电话:17895046997 刘先生 同微信

RXE/RXH4100(复式内管固定法兰安装式)。
特点:
・珍珠旋转接头RX系列,耐久性出色,具有极高的性能,有对应使用条件的RXE、RXH两种类型。
·在本器中,作为密封材料组装有精陶瓷和严格选择碳密封环,与密封面的2个光带以内的超精密研磨加工相结合,实现高速旋转、低转矩另外,通过采用带止转键槽的浮动密封环,实现了浮动环高速旋转的追随性,也实现了长期密封的稳定性。
・作为主体的主要材料,转子采用不锈钢,外壳采用铜合金,是耐久性好的划时代的旋转接头。
| 種類 | 複式内管固定 | 使用流体 | 水 / 空気 / ガス / 油 |
|---|---|---|---|
| 最高使用温度(℃) | 100 | 最高使用圧力(MPa) | 1.18 |
| 最高使用回転数(r.p.m) | 750 | 接続種類 | ねじ、フランジ取付式 |
| 接続ねじ種類 エルボ側(複式) | Rc | 接続ねじ種類 ヘッド側(複式) | Rc |
| 接続ねじの呼び エルボ側(複式) | 1B(25A) | 接続ねじの呼び ヘッド側(複式) | 1 1/2B(40A) |
| 接続フランジ外径 ローター部(mm) | 120 | 接続フランジ ボルト穴ピッチ(mm) | 95 |
| 接続フランジ ボルトの呼び | M12 | 呼称寸法 | 50A |

RXEタイプ
| 流体 | 水・温水・油・空気・ガス |
|---|---|
| 最高温度 | 100℃ |
| 最高回転数 | 呼称寸法 |
| 8A~25A 3,500min-1{r.p.m} | |
| 32A~40A 2,000min-1{r.p.m} | |
| 50A~80A 750min-1{r.p.m} | |
| 最高圧力 | 呼称寸法(真空1.3kPa{10Torr}から) |
| 8A~25A 2.25MPa{23kgf/cm2} | |
| 32A~40A 1.67MPa{17kgf/cm2} | |
| 50A~80A 1.18MPa{12kgf/cm2} | |
| ※空気・ガスの場合 全サイズ0.98MPa{10kgf/cm2} |
RXHタイプ
| 流体 | 温水・熱媒油・水 |
|---|---|
| 最高温度 | 150℃ |
| 最高回転数 | 呼称寸法 |
| 10A~25A 3,500min-1{r.p.m} | |
| 32A~40A 2,000min-1{r.p.m} | |
| 50A~80A 750min-1{r.p.m} | |
| 最高圧力 | 呼称寸法(真空1.3kPa{10Torr}から) |
| 10A~25A 2.25MPa{23kgf/cm2} | |
| 32A~40A 1.67MPa{17kgf/cm2} | |
| 50A~80A 1.18MPa{12kgf/cm2} |

RXEタイプ

RXHタイプ


苏州上野机电设备有限公司销售型号:
RXE4115
RXE4120
RXE4125
RXE4132
RXE4140
RXE4150
RXH4115
RXH4120
RXH4125
RXH4132
RXH4140
RXH4150