【 微信扫码咨询 】
日本小型重量轻的SHOWA pearl joint昭和技研旋转接头:KCL65ARH
苏州上野机电设备有限公司询价咨询电话:17895046997 刘先生 同微信

是用于向旋转设备稳定供给介质的旋转接头。
特长: 主体为强力铝合金制,重量轻 小型,是容易安装的简单型 根据封入球轴承的使用,为完全不加油型 旋转阻力低,经济实惠 可以高速旋转
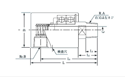
| 種類 | 単式 | 使用流体 | 水 / 空気 / ガス / 油 |
|---|---|---|---|
| 最高使用温度(℃) | 100 | 最高使用圧力(MPa) | 0.98 |
| 最高使用回転数(r.p.m) | 1000 | 接続種類 | ネジ取付式 |
| 接続ねじの種類 供給側(単式、スイベル) | Rc | 接続ねじの種類 排出側(単式、スイベル) | R |
| 接続ねじの呼び 供給側(単式、スイベル) | [2 1/2B] 2 1/2 | 接続ねじの呼び 排出側(単式、スイベル) | [2 1/2B] 2 1/2 |
| 接続フランジの呼び | - | 取付ネジ方向 | RH(右ネジ) |


| 呼称寸法 | A | B | C | D | L1 | L2 | L3 | L | |||
|---|---|---|---|---|---|---|---|---|---|---|---|
| 6A | 1/8B | 1/8 | 1/8 | 4 | 34 | 10 | 20 | 60 | 70 | ||
| 8A | 1/4B | 1/4 | 1/4 | 6 | 40 | 14 | 24 | 75 | 85 | ||
| 10A | 3/8B | 3/8 | 3/8 | 9 | 46 | 19 | 29 | 82 | 94 | ||
| 15A | 1/2B | 1/2 | 1/2 | 12 | 54 | 21 | 33 | 94 | 109 | ||
| 20A | 3/4B | 3/4 | 3/4 | 16 | 60 | 22 | 34 | 102 | 120 | ||
| 25A | 1B | 1 | 1 0/1 | 20 | 70 | 23 | 36 | 108 | 130 | ||
| 32A | 1 1/4B | 1 1/4 | 1 1/4 | 30 | 90 | 28 | 43 | 131 | 158 | ||
| 40A | 1 1/2B | 1 1/2 | 1 1/2 | 35 | 95 | 28 | 43 | 135 | 165 | ||
| 50A | 2B | 2 | 2 | 48 | 124 | 30 | 55 | 164 | 203 | ||
| 65A | 2 1/2B | 2 1/2 | 2 1/2 | 56 | 148 | 40 | 78 | 206 | 256 | ||
苏州上野机电设备有限公司销售型号:
KCL6ALH
KCL6ARH
KCL8ALH
KCL8ARH
KCL10ALH
KCL10ARH
KCL15ALH
KCL15ARH
KCL20ALH
KCL20ARH
KCL25ALH
KCL25ARH
KCL32ALH
KCL32ARH
KCL50ALH
KCL50ARH
KCL65ALH
KCL65ARH
KCLF10A
KCLF15A
KCLF20A
KCLF25A
KCLF32A