【 微信扫码咨询 】

材质:聚氨酯uchimura-caster内村脚轮型号:No.104HB2AF-PA
苏州上野机电设备有限公司询价咨询电话:17895046997 刘先生 同微信
轮毂采用铝,衬套采用高性能发动机,实现了轻量化。 两端支撑机构,机动性优异。
特点:
耐久力出众,金属优异的惊人耐磨损性能。
弹性大,不会带来装载量的冲击。 即使长期固定,也不会残留负荷引起的变形。
没有噪音,安静,不会损伤地板。
■紧凑的一体型。
可以通过脚轮顺畅地移动,用调节器脚可靠地固定。
<可以省去调整器脚的安装工时> 另外,机器安装后,可以简单地调整高度。
■可选的脚踏位置、小转弯半径。 车轮和脚部组装在同一个部位,同时旋转,所以根据设置面的状况,脚部的位置可以自由改变,而且旋转半径与脚轮单体几乎没有变化。
■可靠的安全性。 与以往的带挡块不同,它的耐震性优异,因此最适合各设备的防震措施及长期固定的设备等要求安全性的物品。

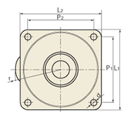
| 車輪特性 | 耐磨耗性 / 耐ガソリン(軽油含む) / 耐油性 / 耐熱性 / 耐寒性 | 許容荷重(daN) | 245 |
|---|---|---|---|
| キャスタタイプ | プレート式自在 / アジャスターフット付 | 車輪材質 | ポリウレタン(アジブレンR) |
| 特性 | 低床式 | 車輪取付高 H(mm) | 70 |
| 車輪径 D(φ) | 50 | 車輪巾 W(mm) | 28 |
| 寸法(長さ) L2(mm) | 110 | 寸法(幅) L1(mm) | 110 |
| 取付穴ピッチ 長手方向 P2(mm) | 90 | 取付穴ピッチ 短手方向 P1(mm) | 90 |
| ストッパ | なし | 荷重範囲(daN) | 220.01~320.00 |
| 旋回半径 r(mm) | 63 | 本体材質 | 冷間圧延鋼板(SPCC) |
| 取付穴種類 | 丸穴 | 種類 | キャスタ |
| 取付穴径 d(mm) | 8.5 | 取付座厚 t(mm) | 2.6 |

●车轮和脚组装在同一个部位,同时旋转,所以根据设置面的状况可以自由改变脚的位置,而且旋转半径与脚轮单体几乎没有变化。
●可以通过脚轮顺畅地移动,用调节器脚可靠地固定。 因为是一体化的,所以可以省去调节器脚的安装工时。 另外,机器安装后,可以简单地调节高度。
●耐久力出众,金属优异,耐磨损性能惊人。
●弹性大,不会受到装载物的冲击。
●即使长期固定,也不会残留负荷引起的变形。
●无噪音,安静,不会损伤地板。
●轮毂采用铝,衬套采用高性能发动机,实现了轻量化。 温柔地面的车轮旋转部使用了2个径向轴承。 两端支撑结构,机动性优异。

苏州上野机电设备有限公司销售型号:
No.109HBS
No.108HBS
No.109HB
No.108HB
No.104X-N
No.104WHB-P
No.107HB-PS
No.106HB-PS
No.105HB-PS
No.107HB-P
No.106HB-P
No.105HB-P
No.104HB2AF-PA
No.104HB2-PA
No.107HB-PAS
No.107HB-PA
No.105HB-PAS(O)
No.105HB-PAS(I)
No.105HB-PAS(B)
No.104HB-PAS(O)
No.104HB-PAS(I)
No.104HB-PAS(B)
No.105HB-PA(I)
No.105HB-PA(O)
No.105HB-PA(B)
No.104HB-PA(I)
No.104HB-PA(O)
No.104HB-PA(B)
No.104HB2AF-EP
No.105HB2-EPS
No.105HB2-EP
No.104HB2-EP