【 微信扫码咨询 】
适合搬运重物HAMMER-CASTER哈玛脚轮型号:413S-WRB100
苏州上野机电设备有限公司询价咨询电话:17895046997 刘先生 同微信

是对负荷的抵抗力大,转弯也顺畅的代表性的转弯式大型脚轮。
特点:
・可组合使用。
·在旋转部上下两段组装钢球。
・可根据用途选择车轮的材质及车径。
・可选择有无止挡件。
用途:
·手链、滚轮等物流相关等。
・多用于工厂、事务所等,坚固稳定,最适合搬运重物。

| 車輪特性 | - | 許容荷重 1個(daN) | 120 |
|---|---|---|---|
| 荷重区分 | 中荷重 | キャスタタイプ | 平付けプレート旋回式 |
| 車輪材質 | ゴム | 取付高 H もしくは H1,H2(mm) | 132 |
| 車輪径 D(φ) | 100 | 取付座A プレート長さ)(mm) | 90 |
| 取付座B (プレート幅)(mm) | 90 | 取付穴ピッチ 長手方向(X)(mm) | 68(71) |
| 取付穴ピッチ 短手方向(Y)(mm) | 68(71) | ストッパ | 回転ストッパ付 |
| 荷重範囲(daN) | 80.01~140.00 | 旋回半径(mm) | 91 |
| 金具材質 | スチール | 取付穴種類 | 長穴 |
| 種類 | キャスタ | 取付穴径 P(mm) | 11 |
| 偏心 E もしくは E1,E2(mm) | 35 | (金具・本体)処理 仕上 | ユニクロームメッキ仕上 |
| 旋回式/固定式 | 旋回式 | 品番 | S |
| 車種 | WRB | 導電性 | なし |
| 車輪幅(mm) | 34 | 車輪構成 | 鉄板ホイール巾広ゴム巻車輪 ローラーベアリング入 |
| 商品記号 | 許容荷重 1個(daN) | 車輪構成 | 車輪記号 | 車輪幅 (mm) | |||||
|---|---|---|---|---|---|---|---|---|---|
| 品番・品種 | 車種 | 車輪径(mm) | |||||||
| 413S | -R | 100 | 120 | 鉄板ホイールゴム巻車輪 樹脂ブッシュ入 | 425S-R | 100 | 32 | ||
| 125 | 150 | 125 | 38 | ||||||
| 150 | 160 | 150 | 40 | ||||||
| 413S | -WR | 100 | 120 | 鉄板ホイール巾広ゴム巻車輪 樹脂ブッシュ入 | 425S-WR | 100 | 34 | ||
| 125 | 150 | 125 | 40 | ||||||
| 150 | 160 | 150 | 40 | ||||||
| 413S | -RD | 100 | 100 | ゴム一体車輪 樹脂ブッシュ入 | 427S-RD | 100 | 32 | ||
| 125 | 120 | 125 | 40 | ||||||
| 150 | 120 | 150 | 40 | ||||||
| 413S | -RB | 100 | 120 | 鉄板ホイールゴム巻車輪 ローラーベアリング入 | 435S-RB | 100 | 32 | ||
| 125 | 150 | 125 | 38 | ||||||
| 150 | 160 | 150 | 40 | ||||||
| 413S | -WRB | 100 | 120 | 鉄板ホイール巾広ゴム巻車輪 ローラーベアリング入 | 435S-WRB | 100 | 34 | ||
| 125 | 150 | 125 | 40 | ||||||
| 150 | 160 | 150 | 40 | ||||||
| 420S 413S | -CHR | 100 | 120 | ナイロンホイールゴム巻車輪 複列ボールベアリング入 | 434S-CHR | 100 | 32 | ||
| 125 | 150 | 125 | 38 | ||||||
| 150 | 160 | 150 | 40 | ||||||
| 420S 413S | -N | 100 | 120 | ナイロン一体車輪 樹脂ブッシュ入 | 429S-N | 100 | 32 | ||
| 125 | 150 | 125 | 35 | ||||||
| 150 | 160 | 150 | 35 | ||||||
| 413S | -NRB | 100 | 120 | ナイロン一体車輪 ラジアルボールベアリング入 | 429S-NRB | 100 | 29 | ||
| 125 | 150 | 125 | 35 | ||||||
| 150 | 160 | 150 | 35 | ||||||
| 413S | -UB | 100 | 100 | ナイロンホイール 熱可塑性ウレタン巻車輪 ラジアルボールベアリング入 | 439S-UB | 100 | 32 | ||
| 125 | 130 | 125 | 38 | ||||||
| 150 | 140 | 150 | 38 | ||||||
| 413S | -URB | 100 | 120 | 鉄板ホイール 熱硬化性ウレタン巻車輪 ローラーベアリング入 | 423S-URB | 100 | 32 | ||
| 125 | 150 | 125 | 38 | ||||||
| 150 | 160 | 150 | 40 | ||||||
| 420S 413S | -C | 100 | 120 | イモノ一体車輪 樹脂ブッシュ入 | 426S-C | 100 | 30 | ||
| 125 | 150 | 125 | 33 | ||||||
| 150 | 160 | 150 | 35 | ||||||
| 420S 413S | -MCB | 100 | 120 | MCナイロン一体車輪 ラジアルボールベアリング入 | 499S-MCB | 100 | 33 | ||
| 125 | 150 | 125 | 43 | ||||||
| 150 | 160 | 150 | 43 | ||||||
| 413S | -PH | 100 | 120 | フェノール一体車輪 樹脂ブッシュ入 | 428S-PH | 100 | 32 | ||
| 125 | 150 | 125 | 38 | ||||||
| 150 | 160 | 150 | 42 | ||||||
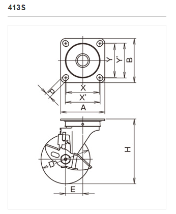
| 品番・品種 | 車輪径 Dmm | 取付高 Hmm | 取付座 A×Bmm | 取付寸法 X×Ymm(X’×Y’)mm | 取付穴径 Pmm | 偏心 Emm | 旋回半径 mm |
|---|---|---|---|---|---|---|---|
| 420S | 100 | 132 | 90×90 | 68×68(71×71) | 11 | 35.0 | 86 |
| 125 | 168 | 102×102 | 75×75(80×80) | 11 | 38.0 | 102 | |
| 150 | 190 | 102×102 | 75×75(80×80) | 11 | 41.0 | 118 | |
| 413S | 100 | 132 | 90×90 | 68×68(71×71) | 11 | 35.0 | 91 |
| 125 | 168 | 102×102 | 75×75(80×80) | 11 | 38.0 | 104 | |
| 150 | 190 | 102×102 | 75×75(80×80) | 11 | 41.0 | 118 |

苏州上野机电设备有限公司销售型号:
413S-C100
413S-C125
413S-C150
413S-CHR100
413S-CHR125
413S-CHR150
413S-MCB100
413S-MCB125
413S-MCB150
413S-N100
413S-N125
413S-N150
413S-NRB100
413S-NRB125
413S-NRB150
413S-PH100
413S-PH125
413S-PH150
413S-R100
413S-R125
413S-R150
413S-RB100
413S-RB125
413S-RB150
413S-RB150D
413S-UB100
413S-UB125
413S-UB150
413S-URB100
413S-URB125
413S-URB150
413S-WR100
413S-WR125
413S-WR150
413S-WRB100
413S-WRB125
413S-WRB150
420S-C100
420S-C125
420S-C150
420S-CHR100
420S-CHR125
420S-CHR150
420S-MCB100
420S-MCB125
420S-MCB150
420S-N100
420S-N125
420S-N150
420S-NRB100
420S-NRB125
420S-NRB150
420S-PH100
420S-PH125
420S-PH150
420S-R100
420S-R125
420S-R150
420S-RB100
420S-RB125