【 微信扫码咨询 】
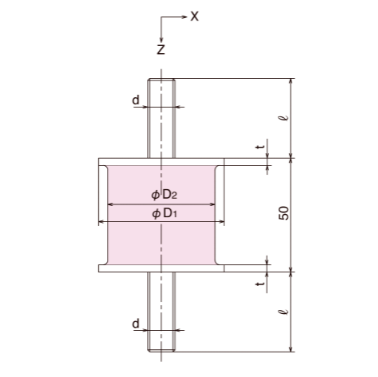
结构简单的KURASHIKI KAKO仓敷化工防振橡胶弹簧型号:KHA-65
苏州上野机电设备有限公司询价咨询电话:17895046997 刘先生 同微信

性能和特点:
1.高度恒定,即使承载力不同,设计施工也容易。
2.螺栓直径固定(KHA-100除外),且为全螺纹,可提高安装自由度。
3.弹簧常数的静动比低,具有高的防振性能。
4.形状简单,结构简单,安装方便,经济实惠。



苏州上野机电设备有限公司销售型号:
KHA-55
KHA-65
KHA-75
KHA-80
KHA-90
KHA-100
KHB-55
KHB-65
KHB-75
KHB-80
KHB-90
KHB-100
KHA-55
KHA-65
KHA-75
KHA-80
KHA-90
KHA-100
KHB-55
KHB-65
KHB-75
KHB-80
KHB-90
KHB-100
KHA-55
KHA-65
KHA-75
KHA-80
KHA-90
KHA-100
KHB-55
KHB-65
KHB-75
KHB-80
KHB-90
KHB-100
KHA-55
KHA-65
KHA-75
KHA-80
KHA-90
KHA-100
KHB-55
KHB-65
KHB-75
KHB-80
KHB-90
KHB-100