全国服务热线: 0512-6605 1469
首页产品资讯
日本KURASHIKI KAKO仓敷化工圆形天然防振橡胶型号:KA-30(45)
发布时间:2023-11-08 16:10:40 点击次数:583

日本KURASHIKI KAKO仓敷化工圆形天然防振橡胶型号:KA-30(45)


苏州上野机电设备有限公司询价咨询电话:17895046997   刘先生    同微信

微信图片_20231108145724.png

圆形防振橡胶天然橡胶硬度45系列


用途:水泵 送风机 发动机 发电机 电动机 压缩机


性能特点 :


1 .结构简单廉价 结构简单,安装也容易。


 2 .安装空间小 因为小型且得到比较大的弹簧常数,所以可以支撑较大的负荷。 


3 .可有多种支撑方式 根据安装方向的不同,除了压缩方向、剪切方向之外,还可以用于倾斜方向,具有广泛的应用性。 


4 .静动比低,防振效果优异(与橡胶硬度60品的比较)

image.png

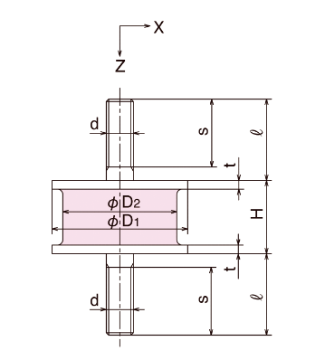
品番標準寸法 mmZ方向支持荷重
N {kgf}
許容荷重 N {kgf}Z方向ばね定数 Kz
N/mm {kgf/cm}
剛性比
Kx/Kz
D₁D₂HtdsZ方向X方向
KA-12(45)1210162M51211~ 47 { 5 }66 { 7 }15 { 1.5 }25 { 25 }0.20
KA-15(45)1512152M51512~ 78 { 8 }96 { 10 }20 { 2.1 }44 { 45 }0.20
KA-20(45)2015152M61513~ 96 { 10 }170 { 17 }41 { 4.2 }78 { 78 }0.15
KA-20-20H(45)2015202M61513~ 59 { 6 }110 { 11 }29 { 3.0 }47 { 48 }0.19
KA-25(45)2520182.3M61816~ 145 { 15 }290 { 30 }54 { 5.5 }110 { 110 }0.16
KA-25-27H(45)2520272.3M61816~ 96 { 10 }190 { 19 }35 { 3.6 }56 { 57 }0.20
KA-30(45)3025182.3M82420~ 270 { 28 }530 { 55 }100 { 10 }190 { 192 }0.16
KA-30-26H(45)3025262.3M82420~ 180 { 19 }370 { 37 }72 { 7.2 }84 { 87 }0.19
KA-35(45)3530262.3M82420~ 290 { 30 }590 { 60 }150 { 15 }140 { 144 }0.17
KA-35-35H(45)3530352.3M82420~ 220 { 23 }440 { 45 }120 { 12 }90 { 90 }0.20
KA-40(45)4034252.3M83025~ 560 { 57 }1090 { 111 }220 { 22 }200 { 210 }0.17
KA-40-33H(45)4034332.3M83025~ 320 { 33 }660 { 66 }150 { 15 }130 { 132 }0.19
KA-45(45)4538343.2M82925~ 500 { 50 }1020 { 100 }170 { 17 }170 { 170 }0.20
KA-45-45H(45)4538453.2M82925~ 390 { 39 }780 { 79 }130 { 13 }100 { 100 }0.16
KA-50(45)5042273.2M103025~ 740 { 75 }1500 { 150 }350 { 36 }370 { 372 }0.17
KA-50-40H(45)5042403.2M103025~ 530 { 54 }1080 { 108 }230 { 24 }160 { 168 }0.19

六角ナット、スプリングワッシャー各2ヶ付きとします。
ゴム材質は天然ゴム配合硬さ45とします。

1699430064.jpg


image.png


微信图片_20200529100709.jpg

苏州上野机电设备有限公司销售型号:

KA-12(45)

KA-15(45)

KA-20(45)

KA-20-20H(45)

KA-25(45)

KA-25-27H(45)

KA-30(45)

KA-30-26H(45)

KA-35(45)

KA-35-35H(45)

KA-40(45)

KA-40-33H(45)

KA-45(45) 45

KA-45-45H(45)

KA-50(45) 50

KA-50-40H(45)



  • 热线电话:0512-8781 4269 分机号:802
  • :1789-5046-997 1889-6984-864
  • :0512-6605 1469
  • :0512-6605 1489
  • 联系人:刘工
  • :2461896109@qq.com
  • :www.mekasys.cn
  • :苏州市吴中区南湖路71号天贸大厦509室
  • 微信二维码 微信二维码
  • 官网二维码 官网二维码

版权归苏州上野机电设备有限公司所有苏ICP备16035515号 技术支持:易动力网络