【 微信扫码咨询 】
适合重物搬运的FREEBEAR福力百亚举模器型号:AFU-3232-14
苏州上野机电设备有限公司询价咨询电话:17895046997 刘先生 同微信

通过供给压缩空气,内置于各活塞的自由支座一齐上升。
安装时在机械底座上进行角槽加工,可以进行夹具、模具、工件的搬运定位。
(因模具自重或强制排气而下降)
气浮式自由支架单元的球形滚子。
特点:
因模具自重或强制排气而下降。
通过供给压缩空气,内置于各活塞的自由支座一齐上升。
安装时通过对机械底座进行角槽加工,可以进行夹具、模具、工件的搬运定位。
方槽型气浮式机组。 窄幅。
用途: 最适合重物的搬运、组装作业台(对位)、加工机夹具更换等。





苏州上野机电设备有限公司销售型号:
AFU-3232-1 FREEBEAR-------UENO
AFU-3232-2 FREEBEAR-------UENO
AFU-3232-3 FREEBEAR-------UENO
AFU-3232-4 FREEBEAR-------UENO
AFU-3232-5 FREEBEAR-------UENO
AFU-3232-6 FREEBEAR-------UENO
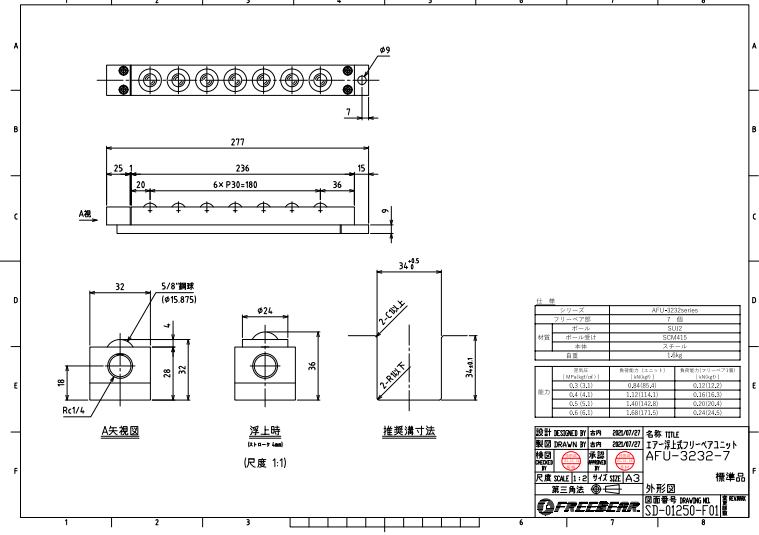
AFU-3232-7 FREEBEAR-------UENO
AFU-3232-8 FREEBEAR-------UENO
AFU-3232-9 FREEBEAR-------UENO
AFU-3232-10 FREEBEAR-------UENO
AFU-3232-11 FREEBEAR-------UENO
AFU-3232-12 FREEBEAR-------UENO
AFU-3232-13 FREEBEAR-------UENO
AFU-3232-14 FREEBEAR-------UENO
AFU-3232-15 FREEBEAR-------UENO
AFU-3232-16 FREEBEAR-------UENO
AFU-3232-17 FREEBEAR-------UENO
AFU-3232-18 FREEBEAR-------UENO