全国服务热线: 0512-6605 1469
首页产品资讯
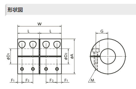
有夹紧型和半分离型NBK锅屋长型刚性联轴器型号:MLRS-32C-15×15
发布时间:2024-01-31 15:41:37 点击次数:567

有夹紧型和半分离型NBK锅屋长型刚性联轴器型号:MLRS-32C-15×15


苏州上野机电设备有限公司询价咨询电话:17895046997   刘先生    同微信


微信图片_20240131144129.png

特点:


・长型刚性联轴器。


・也可作为连接轴的接头使用。


有铝合金制、不锈钢制两种。


・有夹紧型和半分离型。


・轴孔成品,异径轴孔的组合也标准化。


image.png


image.pngimage.pngimage.png


微信图片_20240131144124.png

image.png


微信图片_20240131144132.png


苏州上野机电设备有限公司销售型号:

MLR-16C-5×5

MLR-16C-5×6

MLR-16C-6×6

MLR-20C-6×6

MLR-20C-6×8

MLR-20C-8×8

MLR-25C-8×8

MLR-25C-8×10

MLR-25C-10×10

MLR-25C-12×12

MLR-32C-10×10

MLR-32C-10×12

MLR-32C-10×14

MLR-32C-12×12

MLR-32C-12×14

MLR-32C-14×14

MLR-32C-15×15

MLR-16V-6×6

MLR-20V-8×8

MLR-25V-10×10

MLR-25V-12×12

MLR-32V-14×14

MLR-32V-15×15

MLRS-16C-5×5

MLRS-16C-5×6

MLRS-16C-6×6

MLRS-20C-6×6

MLRS-20C-6×8

MLRS-20C-8×8

MLRS-25C-8×8

MLRS-25C-8×10

MLRS-25C-10×10

MLRS-25C-12×12

MLRS-32C-10×10

MLRS-32C-10×12

MLRS-32C-10×14

MLRS-32C-12×12

MLRS-32C-12×14

MLRS-32C-14×14

MLRS-32C-15×15

MLRS-16V-6×6

MLRS-20V-8×8

MLRS-25V-10×10

MLRS-25V-12×12

MLRS-32V-14×14

MLRS-32V-15×15



  • 热线电话:0512-8781 4269 分机号:802
  • :1789-5046-997 1889-6984-864
  • :0512-6605 1469
  • :0512-6605 1489
  • 联系人:刘工
  • :2461896109@qq.com
  • :www.mekasys.cn
  • :苏州市吴中区南湖路71号天贸大厦509室
  • 微信二维码 微信二维码
  • 官网二维码 官网二维码

版权归苏州上野机电设备有限公司所有苏ICP备16035515号 技术支持:易动力网络