全国服务热线: 0512-6605 1469
首页产品资讯
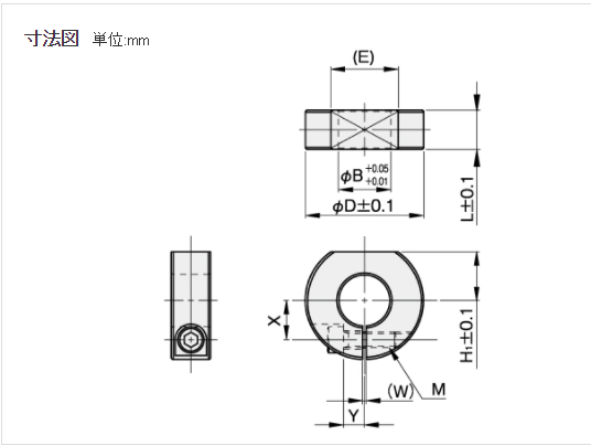
日本原装进口IWATA岩田固定坏型号:SCS1515CT
发布时间:2024-04-03 16:56:53 点击次数:437

日本原装进口IWATA岩田固定坏型号:SCS1515CT


苏州上野机电设备有限公司询价咨询电话:17895046997   刘先生   同微信

微信图片_20240403153531.png


特点:

紧固力强的狭缝型。

・由于用面紧固,推力强,轴不易受伤。

是系列中变化最丰富的类型。

・可利用D切割面安装支架等各种部件。


image.png

image.png


SCS1515CT

SCS2015CT

SCS2515CT

SCS3015CT

SCS3515CT

SCS4018CT



  • 热线电话:0512-8781 4269 分机号:802
  • :1789-5046-997 1889-6984-864
  • :0512-6605 1469
  • :0512-6605 1489
  • 联系人:刘工
  • :2461896109@qq.com
  • :www.mekasys.cn
  • :苏州市吴中区南湖路71号天贸大厦509室
  • 微信二维码 微信二维码
  • 官网二维码 官网二维码

版权归苏州上野机电设备有限公司所有苏ICP备16035515号 技术支持:易动力网络