【 微信扫码咨询 】
用于表面紧固iwata岩田固定环型号:SCSS0815CTN
苏州上野机电设备有限公司询价咨询电话:17895046997 刘先生 同微信

特点:
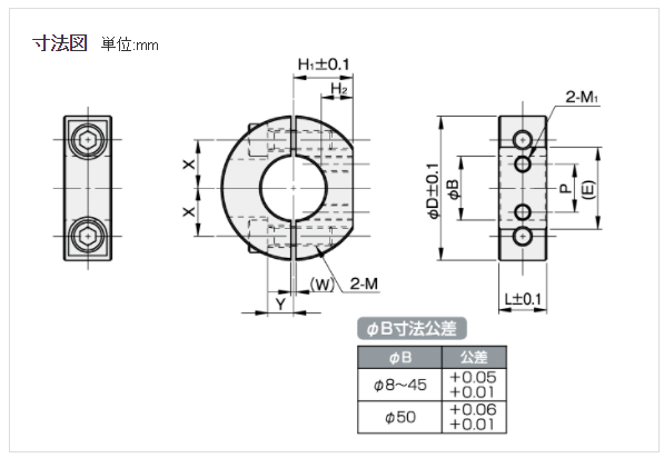
可以简单装卸的分离型。
・是组装机器或维护时方便的分离结构的套色。
・推力强,不易损伤轴的类型。
・可利用D切割面安装支架等各种部件。
・可以简单装卸的标准分离颜色
・由于是用表面紧固,所以紧固力强,不易损伤轴的类型
・可利用D切割面的螺纹孔安装托架等
・内径为Φ8~Φ列出50mm
・材质为铁(黑染、无电解镀镍)、不锈钢
・不锈钢螺栓带有防止灼烧现象的特氟隆类涂层



苏州上野机电设备有限公司销售型号:
SCSS0815CTN
SCSS1015CTN
SCSS1215CTN
SCSS1315CTN
SCSS1515CTN
SCSS1615CTN
SCSS1715CTN
SCSS1815CTN
SCSS2015CTN
SCSS2515CTN
SCSS3015CTN
SCSS3515CTN
SCSS4018CTN
SCSS4518CTN
SCSS5022CTN
SCSS0815MTN
SCSS1015MTN
SCSS1215MTN
SCSS1315MTN
SCSS1515MTN
SCSS1615MTN
SCSS1715MTN
SCSS1815MTN
SCSS2015MTN
SCSS2515MTN
SCSS3015MTN
SCSS3515MTN
SCSS4018MTN
SCSS4518MTN
SCSS5022MTN
SCSS0815STN
SCSS1015STN
SCSS1215STN
SCSS1315STN
SCSS1515STN
SCSS1615STN
SCSS1715STN
SCSS1815STN
SCSS2015STN
SCSS2515STN
SCSS3015STN
SCSS3515STN
SCSS4018STN
SCSS4518STN
SCSS5022STN
