【 微信扫码咨询 】
可以简单装卸的IWATA岩田固定环型号:SCSS1018ZD
苏州上野机电设备有限公司询价咨询电话:17895046997 刘先生 同微信

特点:
可以简单装卸的分离型。
・是组装机器或维护时方便的分离结构的套色。
・推力强,不易损伤轴的类型。
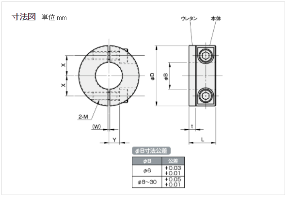
・是贴上聚氨酯的最适合制动器的分离颜色。通过聚氨酯降低冲击音。
・可以简单装卸的标准分离颜色
・由于是用表面紧固,所以紧固力强,不易损伤轴的类型
・为了安装减震器,缓和碰撞等引起的冲击音
・内径为Φ6~Φ30毫米系列
・材质为铁(阳离子电沉积涂装、无电解镀镍)、不锈钢
・不锈钢螺栓带有防止灼烧现象的特氟隆类涂层



苏州上野机电设备有限公司销售型号L
:
苏州上野机电设备有限公司销售型号:
SCSS0612ZD
SCSS0818ZD
SCSS1018ZD
SCSS1218ZD
SCSS1318ZD
SCSS1518ZD
SCSS1618ZD
SCSS2020ZD
SCSS2520ZD
SCSS3020ZD
SCSS0612MD
SCSS0818MD
SCSS1018MD
SCSS1218MD
SCSS1318MD
SCSS1518MD
SCSS1618MD
SCSS2020MD
SCSS2520MD
SCSS3020MD
SCSS0612SD
SCSS0818SD
SCSS1018SD
SCSS1218SD
SCSS1318SD
SCSS1518SD
SCSS1618SD
SCSS2020SD
SCSS2520SD
SCSS3020SD