【 微信扫码咨询 】
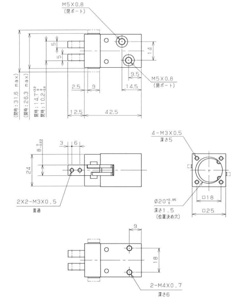
小型轻量长寿命NEW-ERA新时代平行移动式机械手:KH-16
苏州上野机电设备有限公司询价咨询电话:17895046997 刘先生 同微信

特点:
平行移动式机械手KH・CKH・KHL・CKHL系列
・小型、轻量:由于连杆机构,小型、轻量。
・容易定心:由于平行移动,与旋转移动形相比,定心更容易,通用性也会扩大。
・长寿命:滑动部使用环形轴承,长寿命。
・主机尺寸相同<(c)khl系列>:无开关KHL与主机尺寸及安装尺寸相同,具有互换性。
・可调整开关位置<(c)khl系列>:可调整开关位置,通过杠杆的打开或关闭的确认、微调可调整工件直径的确认。
·继承KH系列的特长,且开闭行程为长型。<(c)khl系列>
·端口设置在两面,根据安装状态选择其中一个端口使用。<(c)khl系列>






苏州上野机电设备有限公司销售型号:
KH-16
CKH-16
KHL-16
CKHL-16
KH-20
CKH-20
KHL-20
CKHL-20
KHL-32