【 微信扫码咨询 】
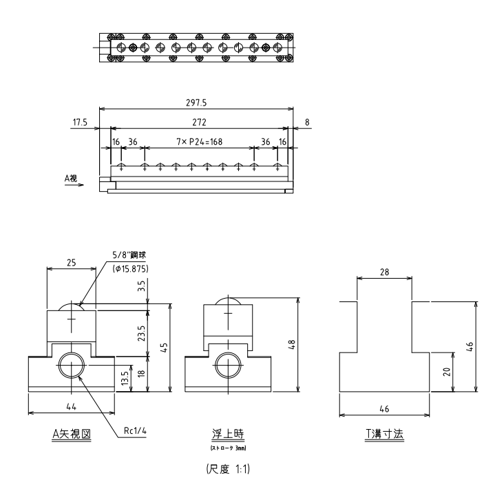
无需角槽加工的FREEBEAR福力百亚举模器型号:AFU-2544-300
苏州上野机电设备有限公司询价咨询电话:17895046997 刘先生 同微信

特点:
空浮式AFU2544系列
T槽插入型自由裸单元AFU-2544系列
·在要求夹具、模具、工件等的正确且顺畅的搬运的场合下活跃。
·重量物的搬运·就座随心所欲。
·弹簧复位式(因排气而下降)。
・T槽深度大于46mm时,必须在AFU上安装间隔件来调整高度。此时,请调整AFU上浮时球从博尔斯特的上面飞出2mm。间隔有各种各样的。
无需进行角槽加工,可插入原有的T槽中使用。只在必要时可以插入,可以插拔使用,对没有升降机功能的机器的后置也很容易。




AFU-2544-300
AFU-2544-540
AFU-2544-680
