全国服务热线: 0512-6605 1469
首页产品资讯
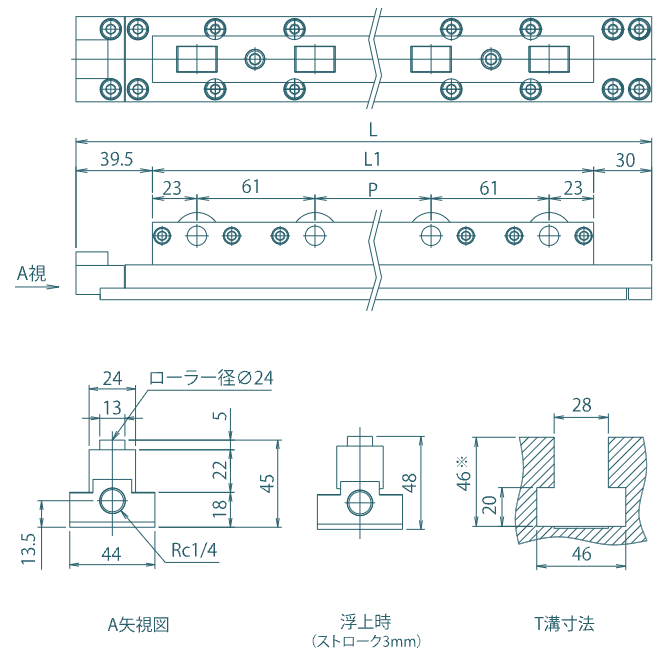
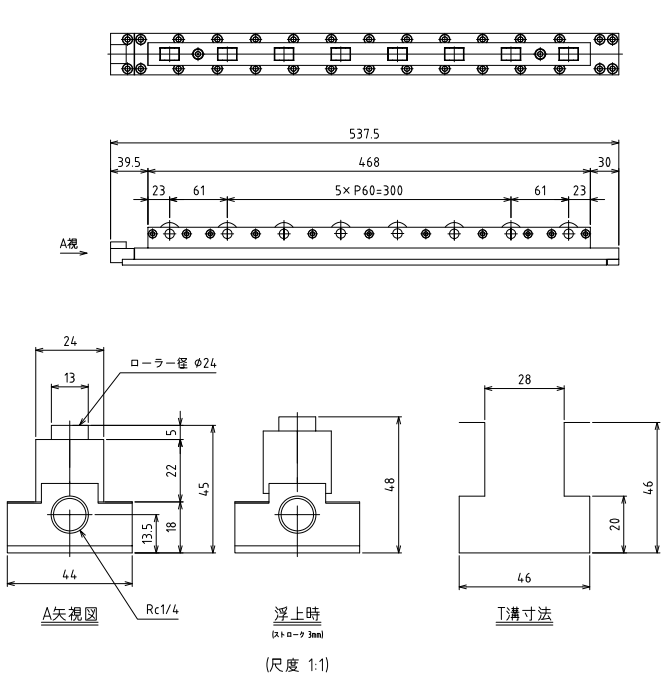
T槽插入型FREEBEAR福力百亚气浮式举模器型号:ARU-2444-540
发布时间:2024-08-23 10:10:38 点击次数:491

T槽插入型FREEBEAR福力百亚气浮式举模器型号:ARU-2444-540


苏州上野机电设备有限公司询价咨询电话:17895046997  刘先生  同微信

微信图片_20240823085448.png

特点:

T槽插入型辊单元ARU-2444系列

内置滚筒的单元通过空气动作上升、下降的类型。与自由链单元相比,滚子向旋转方向的起动摩擦阻力(μ)较小,最适合用于线的方向转换和直角移载。

弹簧复位式(因排气而下降)


image.png

image.png

image.png

image.png


ARU-2444-300

ARU-2444-540



  • 热线电话:0512-8781 4269 分机号:802
  • :1789-5046-997 1889-6984-864
  • :0512-6605 1469
  • :0512-6605 1489
  • 联系人:刘工
  • :2461896109@qq.com
  • :www.mekasys.cn
  • :苏州市吴中区南湖路71号天贸大厦509室
  • 微信二维码 微信二维码
  • 官网二维码 官网二维码

版权归苏州上野机电设备有限公司所有苏ICP备16035515号 技术支持:易动力网络