【 微信扫码咨询 】
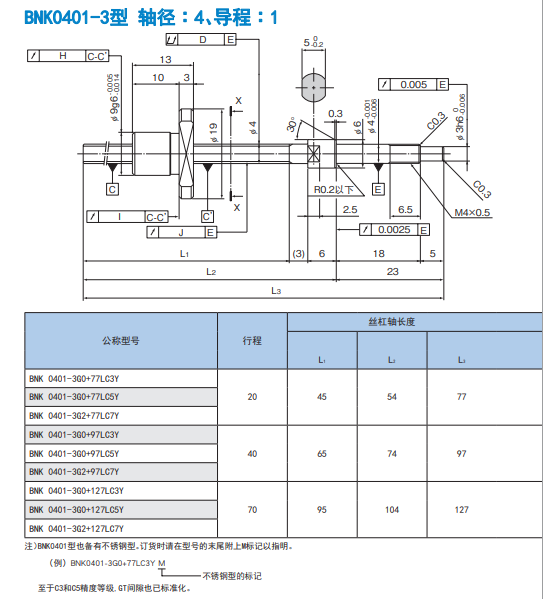
日本原装进口THK滑台丝杆丝杠导轨型号:BNK0401-3G0+77LC3Y
苏州上野机电设备有限公司询价咨询电话:17895046997 刘先生 同微信

特点:
此滚珠丝杠型号提供直径 4 至 25 mm、导程长度 1 至 20 mm 的轴尺寸,其他优点包括标配支撑单元的端面加工。




苏州上野机电设备有限公司销售型号:
BNK 0401-3G0+77LC3Y
BNK 0401-3G0+77LC5Y
BNK 0401-3G2+77LC7Y
BNK 0401-3G0+97LC3Y
BNK 0401-3G0+97LC5Y
BNK 0401-3G2+97LC7Y
BNK 0401-3G0+127LC3Y
BNK 0401-3G0+127LC5Y
BNK 0401-3G2+127LC7Y