【 微信扫码咨询 】
中心高度降低的THK紧凑型滚珠花键型号:2LFK20XUUCL+700LPK
苏州上野机电设备有限公司询价咨询电话:17895046997 刘先生 同微信

LFK-X/LFH-X 特点:
作为滚珠花键LF-X型的新系列,我们开发了紧凑型滚珠花键"LFK-X/LFH-X型",并且已经开始接受新订单。
其形状特点是紧凑型滚珠花键,可实现设备部件的小型化和轻量化,并可根据用途提供丰富的轴直径尺寸,满足客户的需求。
这款新产品是应客户的诸多需求而开发的。
特点:LFK-X
此类型是将LF-X型法兰的4处加工为平面的类型。
跟圆形法兰比较,中心高度降低、可设计为紧凑型。
适用于超过LFK-XL型、LFK-X型容许扭矩、悬臂负荷、力矩作用的情况下。
LFK5X、6X型采用具有良好防锈性能的不锈钢材质。

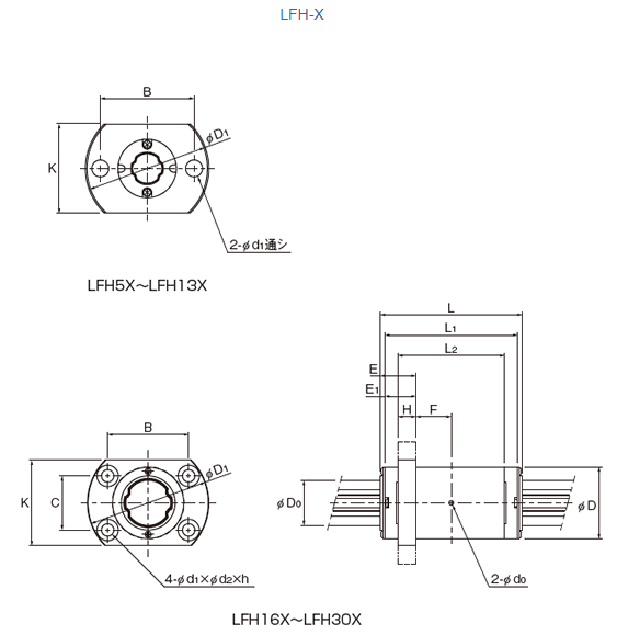
特点:LFH-X
此类型是将LF-X型法兰的2处加工为平面的类型。
跟方形法兰比较,中心高度降低、可设计为紧凑型。
适用于超过LFH-XL型、LFH-X型容许扭矩、悬臂负荷、力矩作用的情况下。
LFH5X、6X型采用具有良好防锈性能的不锈钢材质。


