【 微信扫码咨询 】
高精度高刚性THK双列角接触滚柱轴环型号:RW297UUCC0P2BGX-N
苏州上野机电设备有限公司询价咨询电话:17895046997 刘先生 同微信

特点:
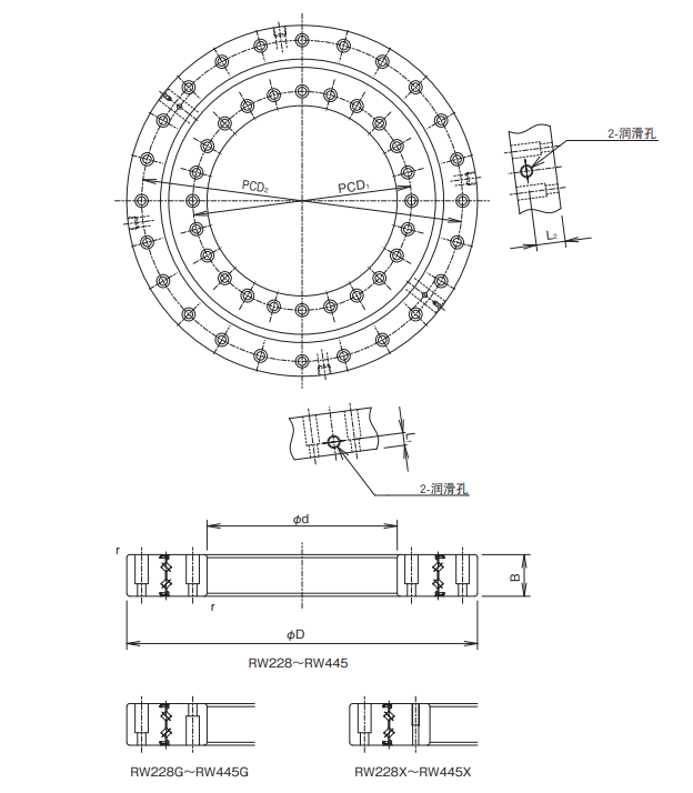
交叉滚柱轴环/双列角接触滚柱轴环
交叉滚柱轴环是一种滚子轴承,旋转精度高,可承载各个方向的负荷。由于具有直交排列的圆柱滚子,因此它可以承载各个方向的负荷。
双列角接触滚柱轴环
通过使滚动表面成双排并使用小直径的滚柱,滚柱的数量大约是传统的交叉滚柱环RU类型(使用RW228的情况下)的5倍。在保持紧凑性的同时,提高了刚性和精度,并且还减小了扭矩。另外,集成结构的内圈和外圈设有安装孔,从而可以直接固定到设备上。







