【 微信扫码咨询 】

日本进口THK背面的双滑动导轨号:FBL35D+457L中负荷用
苏州上野机电设备有限公司询价咨询电话:17895046997 刘先生 同微信
特点:
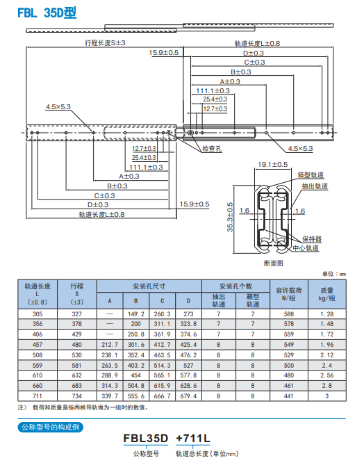
中负荷用 FBL35D型
将FBL 35S 型组合到背面的双滑动型。
该类型在各个行业中广泛使用。




苏州上野机电设备有限公司销售型号:
FBL35D+305L 苏州上野公司 THK双滑动导轨
FBL35D+356L 苏州上野公司 THK双滑动导轨
FBL35D+406L 苏州上野公司 THK双滑动导轨
FBL35D+457L 苏州上野公司 THK双滑动导轨
FBL35D+508L 苏州上野公司 THK双滑动导轨
FBL35D+559L 苏州上野公司 THK双滑动导轨
FBL35D+610L 苏州上野公司 THK双滑动导轨
FBL35D+660L 苏州上野公司 THK双滑动导轨
FBL35D+711L 苏州上野公司 THK双滑动导轨