【 微信扫码咨询 】
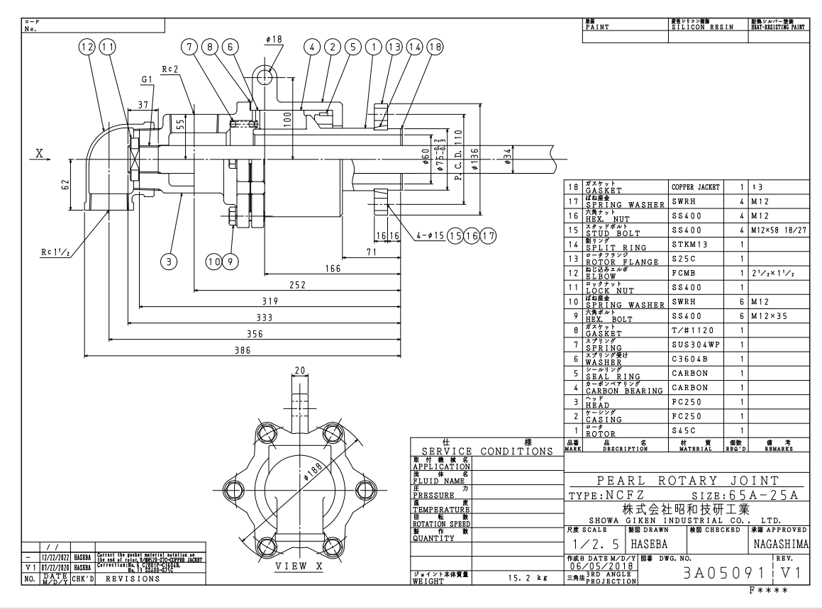
昭和旋转接头SHOWA 型号:NCFZ65A-25A 应用于化工行业的干燥机,球磨机


苏州上野公司主营日本机械,联 系人 张涛 手机188-9698-4864,微信18896984864。
苏州上野机电设备有限公司是一家专业的日本机械设备及零部件提供商。全心致力于中国工控产品销售和技术服务,吸取国外最高端、
最精密、最尖端的先进工控产品和技术,以优质的品牌为基础,成熟的渠道,多元化的经营模式为中国的工业自动化高速发展作出努
力和贡献。作为机械零部件与系统的供应商,多年以来,我司始终站在时代的最前列,不断地将最先进的技术与用户的需求有机地结
合在一起。为了促进21世纪科技发展造福人类,作为以诚信为本的专业企业,我司将充分发挥所拥有的知识、专有技术,渠道以及人
脉,和大家共同发展,共创辉煌。
日本株式会社昭和技研工業设立于1966年4月 5日,本社位于埼玉県北足立郡伊奈町西小針七丁目24番地,现有员工102人,主营压力
旋转接头、压力折射接头、球窝接头等各种液力偶合器的制造和销售。产品应用于造纸、冶金、钢铁、印刷、机械等行业,在世界同行
业中享有很高的声誉。
SGK旋转接头有AC,NC,KC,RXE,RXK,RXH,SXO系列,有单式,复式内管固定式,复式内管旋转式,可以适用蒸汽,热介质,
水,热水,油及空气等,主要应用于橡胶塑料行业的压延机,混合机,搅拌机;化工行业的干燥机,球磨机;食品行业的双
筒干燥机,混合机,旋转炉,清洗设备;钢铁行业的连铸机,转炉冷却装置,卷料装置;印刷行业的胶印轮转机,表格印刷
机;造纸行业的抄纸干燥机,抛光机以及其它行业的钻机,空气离合器,盾构机及油压空压设备等。 回转接头有A,AS,C,CS,
B,SRK,PK等系列,具有安装容易,安装可靠,可360度旋转等特性,主要应用于产业机械,油压机械,食品机械及LPG等的
管道。
苏州上野公司张涛批发销售的型号:
日本SGK昭和技研旋转接头 型号:NCFZ65A-25A 非标件,Z表示头部连接口为180°相反朝向
标准品C位置有个接口,朝下。客户是朝上,180度相反。找到特殊的地方了
标准品C位置有个接口,50A~80A以连接口C朝下的状态出厂。
日本SGK昭和技研旋转接头 型号:NCFZ65A-25A 压力旋转接头 NCF(双工内胎固定法兰安装型)
日本SGK昭和技研旋转接头 型号:NCF65A-25A 标准品没有Z,长度381毫米,高度136毫米
产品特注:
NCF(双内胎固定法兰安装型)是一种旋转接头,用于向旋转设备稳定供应介质。
【特点】
・完全无油型,易于维护。
・可在高温、高压下使用。
・ 磨损少,使用寿命长,可长期保持良好性能。
・结构简单,佩戴时易于修复。
类别:双内管固定 使用的流体:蒸汽 / 油 最高工作温度 (°C):180 :最大工作压力 (MPa) 1.47 连接类型:螺钉、法兰安装
连接螺钉类型:弯头侧(双工):钢筋混凝土连接 螺钉类型:头部侧(双工):钢筋混凝土 最大运行速度 (r.p.m):150
CF15A-6A
NCF20A-8A
NCF25A-10A
NCF32A-15A
NCF40A-15A
NCF40A-20A
NCF50A-20A
NCF50A-25A
NCF65A-25A
NCF65A-32A
NCF80A-25A
NCF80A-32A
NCF80A-40A
NCLF80A
苏州上野公司张涛批发销售的型号:
NCLF65A
NCLF50A
NCLF40A
NCLF32A
NCLF25A
NCLF20A
NCLF15A
NCL80ARH
NCL80ALH
NCL65ARH
NCL65ALH
NCL50ARH
NCL50ALH
NCL40ARH
NCL40ALH
NCL32ARH
NCL32ALH
NCL25ARH
NCL25ALH
NCL20ARH
NCL20ALH
NCL15ARH
NCL15ALH
NCF80A-40A
NCF80A-32A
NCF80A-25A
NCF65A-32A
NCF65A-25A
NCF50A-25A
NCF50A-20A
NCF40A-20A
NCF40A-15A
NCF32A-15A
NCF25A-10A
NCF20A-8A
NCF15A-6A
NC80A-40ARH
NC80A-40ALH
苏州上野公司张涛批发销售的型号:
NC80A-32ARH
NC80A-32ALH
NC65A-32ARH
NC65A-32ALH
NC65A-25ARH
NC65A-25ALH
NC50A-25ARH
NC50A-25ALH
NC50A-20ARH
NC50A-20ALH
NC40A-20ARH
NC40A-20ALH
NC40A-15ARH
NC40A-15ALH
NC32A-15ARH
NC32A-15ALH
NC25A-10ARH
NC25A-10ALH
NC20A-8ARH
NC20A-8ALH
NC15A-6ARH
NC15A-6ALH
SXO-091-1LH
SXO-090RH
SXO-090LH
SXO-090-1RH
SXO-090-1LH
SSH-3-40A
SSH-3-32A
SSH-3-25A
SSH-3-20A
SSH-3-15A
苏州上野公司张涛批发销售的型号:
SSH-3-10A
SSH-2-40A
SSH-2-32A
SSH-2-25A
SSH-2-20A
SSH-2-15A
SSH-2-10A
SRK-3F-80A
SRK-3F-65A
SRK-3F-50A
SRK-3F-40A
SRK-3F-32A
SRK-3F-25A
SRK-3F-20A
SRK-3F-15A
SRK-3F-10A
SRK-3-80A
SRK-3-65A
SRK-3-50A
SRK-3-40A
SRK-3-32A
SRK-3-25A
SRK-3-20A
SRK-3-15A
SRK-3-10A
SRK-2F-80A
SRK-2F-65A
SRK-2F-50A
SRK-2F-40A
SRK-2F-32A
SRK-2F-25A
SRK-2F-20A
SRK-2F-15A
SRK-2F-10A
SRK-2-80A
SRK-2-65A
SRK-2-50A
SRK-2-40A
SRK-2-32A
SRK-2-25A
苏州上野公司张涛批发销售的型号:
SRK-2-20A
SRK-2-15A
SRK-2-10A
RXH1715RH
RXH1715LH
RXH1710RH
RXH1710LH
RXH1680RH
RXH1680LH
RXH1665RH
RXH1665LH
RXH1650RH
RXH1650LH
RXH1640RH
RXH1640LH
RXH1632RH
RXH1632LH
RXH1625RH
RXH1625LH
RXH1620RH
RXH1620LH
RXH1615RH
RXH1615LH
RXH1610RH
RXH1610LH
RXH1325RH
RXH1325LH
RXH1320RH
RXH1320LH
RXH1315RH
RXH1315LH
RXH1310RH
苏州上野公司张涛批发销售的型号:
RXH1310LH
RXH1240RH
RXH1240LH
RXH1232RH
RXH1232LH
RXH1225RH
RXH1225LH
RXH1220RH
RXH1220LH
RXH1215RH
RXH1215LH
RXH1210RH
RXH1210LH
RXH1140RH
RXH1140LH
RXH1132RH
RXH1132LH
RXH1125RH
RXH1125LH
RXH1120RH
RXH1120LH
RXH1115RH
RXH1115LH
RXH1110RH
RXH1110LH
RXH1080RH
RXH1080LH
RXH1065RH
RXH1065LH
RXH1050RH
RXH1050LH
RXH1040RH
苏州上野公司张涛批发销售的型号:
RXH1040LH
RXH1032RH
RXH1032LH
RXH1025RH
RXH1025LH
RXH1020RH
RXH1020LH
RXH1015RH
RXH1015LH
RXH1010RH
RXH1010LH
RXE6180
RXE6165
RXE6150
RXE6140
RXE6132
RXE6125
RXE6120
RXE6115
RXE5740RH
RXE5740LH
RXE5732RH
RXE5732LH
RXE5725RH
RXE5725LH
RXE5720RH
RXE5720LH
RXE5715RH
RXE5715LH
苏州上野公司张涛批发销售的型号:
RXE5680RH
RXE5680LH
RXE5665RH
RXE5665LH
RXE5650RH
RXE5650LH
RXE5640RH
RXE5640LH
RXE5632RH
RXE5632LH
RXE5625RH
RXE5625LH
RXE5620RH
RXE5620LH
RXE5615RH
RXE5615LH
RXE5240RH
RXE5240LH
RXE5232RH
RXE5232LH
RXE5225RH
苏州上野公司张涛批发销售的型号:
RXE5225LH
RXE5220RH
RXE5220LH
RXE5215RH
RXE5215LH
RXE5140RH
RXE5140LH
RXE5132RH
RXE5132LH
RXE5125RH
RXE5125LH
RXE5120RH
RXE5120LH
RXE5115RH
RXE5115LH
RXE5080RH
RXE5080LH
RXE5065RH
RXE5065LH
RXE5050RH
RXE5050LH
RXE5040RH
RXE5040LH
RXE5032RH
RXE5032LH
RXE5025RH
RXE5025LH
RXE5020RH
RXE5020LH
RXE5015RH
RXE5015LH
RXE4180
苏州上野公司张涛批发销售的型号:
RXE4165
RXE4150
RXE4140
RXE4132
RXE4125
RXE4120
RXE4115
RXE3740RH
RXE3740LH
RXE3732RH
RXE3732LH
RXE3725RH
RXE3725LH
RXE3720RH
RXE3720LH
RXE3715RH
RXE3715LH
RXE3680RH
RXE3680LH
RXE3665RH
RXE3665LH
RXE3650RH
RXE3650LH
RXE3640RH
RXE3640LH
RXE3632RH
RXE3632LH
RXE3625RH
RXE3625LH
RXE3620RH
RXE3620LH
RXE3615RH
RXE3615LH
RXE3325RH
RXE3325LH
苏州上野公司张涛批发销售的型号:
RXE3320RH
RXE3320LH
RXE3315RH
RXE3315LH
RXE3240RH
RXE3240LH
RXE3232RH
RXE3232LH
RXE3225RH
RXE3225LH
RXE3220RH
RXE3220LH
RXE3215RH
RXE3215LH
RXE3140RH
RXE3140LH
RXE3132RH
RXE3132LH
RXE3125RH
RXE3125LH
RXE3120RH
RXE3120LH
RXE3115RH
RXE3115LH
RXE3080RH
RXE3080LH
RXE3065RH
RXE3065LH
RXE3050RH
RXE3050LH
RXE3040RH
RXE3040LH
RXE3032RH
RXE3032LH
RXE3025RH
RXE3025LH
苏州上野公司张涛批发销售的型号:
RXE3020RH
RXE3020LH
RXE3015RH
RXE3015LH
SKCL-M30x1.5RH
SKCL-M26x1.5RH
SKCL-M22x1.5RH
SKCL-M18x1.5RH
SKCL-M16x1.5RH
SKCL-8ARH
SKCL-25ARH
SKCL-20ARH
SKCL-15ARH
SKCL-10ARH
RXK6082
RXK6081
RXH6180
RXH6165
RXH6150
RXH6140
RXH6132
RXH6125
RXH6120
RXH6115
RXH5740RH
RXH5740LH
RXH5732RH
RXH5732LH
RXH5725RH
RXH5725LH
RXH5720RH
RXH5720LH
RXH5715RH
RXH5715LH
RXH5680RH
RXH5680LH
RXH5665RH
苏州上野公司张涛批发销售的型号:
RXH5665LH
RXH5650RH
RXH5650LH
RXH5640RH
RXH5640LH
RXH5632RH
RXH5632LH
RXH5625RH
RXH5625LH
RXH5620RH
RXH5620LH
RXH5615RH
RXH5615LH
RXH5240RH
RXH5240LH
RXH5232RH
RXH5232LH
RXH5225RH
RXH5225LH
RXH5220RH
RXH5220LH
RXH5215RH
RXH5215LH
RXH5140RH
RXH5140LH
RXH5132RH
RXH5132LH
RXH5125RH
RXH5125LH
RXH5120RH
RXH5120LH
RXH5115RH
RXH5115LH
RXH5080RH
RXH5080LH
RXH5065RH
RXH5065LH
RXH5050RH
苏州上野公司张涛批发销售的型号:
RXH5050LH
RXH5040RH
RXH5040LH
RXH5032RH
RXH5032LH
RXH5025RH
RXH5025LH
RXH5020RH
RXH5020LH
RXH5015RH
RXH5015LH
RXH4180
RXH4165
RXH4150
RXH4140
RXH4132
RXH4125
RXH4120
RXH4115
RXH3740RH
RXH3740LH
RXH3732RH
RXH3732LH
RXH3725RH
RXH3725LH
RXH3720RH
RXH3720LH
RXH3715RH
RXH3715LH
RXH3680RH
RXH3680LH
RXH3665RH
苏州上野公司张涛批发销售的型号:
RXH3665LH
RXH3650RH
RXH3650LH
RXH3640RH
RXH3640LH
RXH3632RH
RXH3632LH
RXH3625RH
RXH3625LH
RXH3620RH
RXH3620LH
RXH3615RH
RXH3615LH
RXH3325RH
RXH3325LH
RXH3320RH
RXH3320LH
RXH3315RH
RXH3315LH
RXH3240RH
RXH3240LH
RXH3232RH
RXH3232LH
RXH3225RH
RXH3225LH
RXH3220RH
RXH3220LH
RXH3215RH
RXH3215LH
RXH3140RH
RXH3140LH
苏州上野公司张涛批发销售的型号:
RXH3132RH
RXH3132LH
RXH3125RH
RXH3125LH
RXH3120RH
RXH3120LH
RXH3115RH
RXH3115LH
RXH3080RH
RXH3080LH
RXH3065RH
RXH3065LH
RXH3050RH
RXH3050LH
RXH3040RH
RXH3040LH
RXH3032RH
RXH3032LH
RXH3025RH
RXH3025LH
RXH3020RH
RXH3020LH
RXH3015RH
RXH3015LH
RXH2180
RXH2165
RXH2150
RXH2140
RXH2132
RXH2125
RXH2120
RXH2115
RXH1740RH
苏州上野公司张涛批发销售的型号:
RXH1740LH
RXH1732RH
RXH1732LH
RXH1725RH
RXH1725LH
RXH1720RH
RXH1720LH
RXE2180
RXE2165
RXE2150
RXE2140
RXE2132
RXE2125S
RXE2125
RXE2120S
RXE2120
RXE2115S
RXE2115
RXE1740RH
RXE1740LH
RXE1732RH
RXE1732LH
RXE1725RH
RXE1725LH
RXE1720RH
RXE1720LH
RXE1715RH
RXE1715LH
RXE1710RH
RXE1710LH
RXE1680RH
RXE1680LH
RXE1665RH
RXE1665LH
RXE1650RH
苏州上野公司张涛批发销售的型号:
RXE1650LH
RXE1640RH
RXE1640LH
RXE1632RH
RXE1632LH
RXE1625RH
RXE1625LH
RXE1620RH
RXE1620LH
RXE1615RH
RXE1615LH
RXE1610RH
RXE1610LH
RXE1325RH
RXE1325LH
RXE1320RH
RXE1320LH
RXE1315RH
RXE1315LH
RXE1310RH
RXE1310LH
RXE1240RH
RXE1240LH
RXE1232RH
RXE1232LH
RXE1225RH
RXE1225LH
RXE1220RH
RXE1220LH
RXE1215RH
RXE1215LH
RXE1210RH
RXE1210LH
RXE1140RH
RXE1140LH
苏州上野公司张涛批发销售的型号:
RXE1132RH
RXE1132LH
RXE1125RH
RXE1125LH
RXE1120RH
RXE1120LH
RXE1115RH
RXE1115LH
RXE1110RH
RXE1110LH
RXE1080RH
RXE1080LH
RXE1065RH
RXE1065LH
RXE1050RH
RXE1050LH
RXE1040SRH
RXE1040SLH
RXE1040RH
RXE1040LH
RXE1032SRH
RXE1032SLH
RXE1032RH
RXE1032LH
RXE1025SRH
RXE1025SLH
RXE1025RH
RXE1025LH
RXE1020SRH
RXE1020SLH
RXE1020RH
RXE1020LH
RXE1015SRH
RXE1015SLH
苏州上野公司张涛批发销售的型号:
RXE1015RH
RXE1015LH
RXE1010SRH
RXE1010SLH
RXE1010RH
RXE1010LH
RXE1008SRH
RXE1008SLH
RXE1008RH
RXE1008LH
PK-4-50A
PK-4-40A
PK-4-32A
PK-4-25A
PK-4-20A
PK-4-15A
PK-3-50A
PK-3-40A
PK-3-32A
PK-3-25A
PK-3-20A
PK-3-15A
PK-2-50A
PK-2-40A
PK-2-32A
PK-2-25A
PK-2-20A
PK-2-15A
PK-1-50A
PK-1-40A
PK-1-32A
PK-1-25A
PK-1-20A
PK-1-15A
KCLF65A
KCLF50A
KCLF40A
KCLF32A
KCLF25A
KCLF20A
KCLF15A
KCLF10A
KCL8ARH
KCL8ALH
KCL6ARH
苏州上野公司张涛批发销售的型号:
KCL6ALH
KCL65ARH
KCL65ALH
KCL50ARH
KCL50ALH
KCL40ARH
KCL40ALH
KCL32ARH
KCL32ALH
KCL25ARH
KCL25ALH
KCL20ARH
KCL20ALH