【 微信扫码咨询 】
具有很好密封效果的KURASHI KAKO仓敷化工防振橡胶弹簧型号:KT-5
苏州上野机电设备有限公司询价咨询电话:17895046997 刘先生 同微信

性能和特点:
1.弹性结构吸收振动和冲击,减少固体声音的产生。
2.可以节省劳动。
3.通过单侧作业,可以通过螺丝刀简单地拧紧。
4.对液体、气体有很好的密封效果。

使用注意事项:
使用方法
防振橡胶有两种使用方法:一种用于简单固定,一种用于隔振。无论哪种情况,紧固方法都是一样的,将防振橡胶从一侧插入指定的导孔,拧入螺丝,使胶套膨胀,紧固起来很容易。
在这种情况下,防振橡胶的自紧作用起到锁紧垫圈的作用,不需要锁紧螺母。
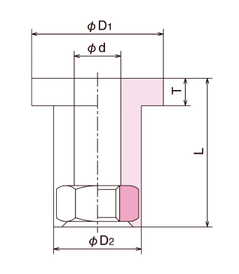
板厚、预制孔径、紧固力矩请参照上表。




苏州上野机电设备有限公司销售型号:
仓敷化工橡胶弹簧 苏州(UENO) KT-3
仓敷化工橡胶弹簧 苏州(UENO) KT-4
仓敷化工橡胶弹簧 苏州(UENO) KT-5
仓敷化工橡胶弹簧 苏州(UENO) KT-6
仓敷化工橡胶弹簧 苏州(UENO) KT-8
仓敷化工橡胶弹簧 苏州(UENO) KT-3
仓敷化工橡胶弹簧 苏州(UENO) KT-4
仓敷化工橡胶弹簧 苏州(UENO) KT-5
仓敷化工橡胶弹簧 苏州(UENO) KT-6
仓敷化工橡胶弹簧 苏州(UENO) KT-8
仓敷化工橡胶弹簧 苏州(UENO) KT-3
仓敷化工橡胶弹簧 苏州(UENO) KT-4
仓敷化工橡胶弹簧 苏州(UENO) KT-5
仓敷化工橡胶弹簧 苏州(UENO) KT-6
仓敷化工橡胶弹簧 苏州(UENO) KT-8
仓敷化工橡胶弹簧 苏州(UENO) KT-3
仓敷化工橡胶弹簧 苏州(UENO) KT-4
仓敷化工橡胶弹簧 苏州(UENO) KT-5
仓敷化工橡胶弹簧 苏州(UENO) KT-6
仓敷化工橡胶弹簧 苏州(UENO) KT-8
仓敷化工橡胶弹簧 苏州(UENO) KT-3
仓敷化工橡胶弹簧 苏州(UENO) KT-4
仓敷化工橡胶弹簧 苏州(UENO) KT-5
仓敷化工橡胶弹簧 苏州(UENO) KT-6
仓敷化工橡胶弹簧 苏州(UENO) KT-8
