【 微信扫码咨询 】
应对15Hz以上振动的KURASHIKI KAKO仓敷化工橡胶弹簧型号:KF-22
苏州上野机电设备有限公司询价咨询电话:17895046997 刘先生 同微信

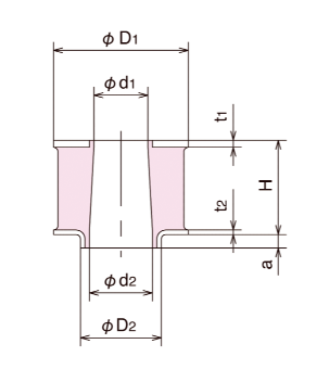
管类管道、机械装置等从天花板悬吊时使用
性能和特点:
1.管道和管道悬吊减振的理想选择
防振橡胶KF 型是将管道、管道、机械等悬挂在天花板上的理想选择。
2.安装操作性良好
安装简单,从轻负荷到大负荷,适用范围广泛。
3.良好的防震效果
对于15 Hz以上的振动,能得到有效的防振效果。
4.可单独使用
KF型可单独用作设备用防振橡胶。
主要用途:
・空调设备
・组合式空调
・风机盘管
・呼吸机
・泵
・鼓风机
・管
・对其他设备的暂停支持







苏州上野机电设备有限公司销售型号:
KF-22 仓敷化工(UENO)
KF-30 仓敷化工(UENO)
KF-40 仓敷化工(UENO)
KF-50 仓敷化工(UENO)
KF-60 仓敷化工(UENO)
KF-80 仓敷化工(UENO)
KF-100 仓敷化工(UENO)
KF-100(70) 仓敷化工(UENO)
KF-120 仓敷化工(UENO)
