【 微信扫码咨询 】
圆形高导电性橡胶材料KURASHIKI KAKO仓敷化工橡胶弹簧型号:CKA-15
苏州上野机电设备有限公司询价咨询电话:17895046997 刘先生 同微信

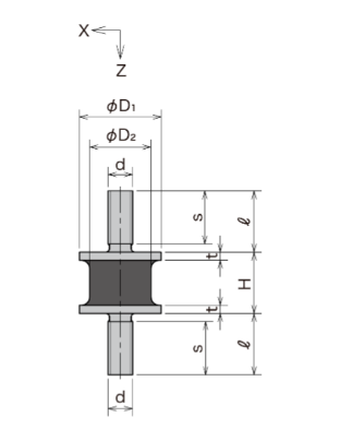
这款防振橡胶采用了高导电性橡胶材料,设计简单,呈圆形结构。



产品包含2个六角螺母和2个弹簧垫。
橡胶材料:导电性NBR(体积电阻率:8×10³Ω·cm)
五金部件:钢制材质(表面经过电镀锌处理)
※使用注意事项
请仅将其用于压缩方向的用途。
该产品不能替代地线。

苏州上野机电设备有限公司销售型号:
CKA-15 苏州上野公司 (仓敷化工橡胶弹簧)
CKA-20 苏州上野公司 (仓敷化工橡胶弹簧)
CKA-20-20H 苏州上野公司 (仓敷化工橡胶弹簧)
CKA-25 苏州上野公司 (仓敷化工橡胶弹簧)
CKA-30 苏州上野公司 (仓敷化工橡胶弹簧)
CKA-40 苏州上野公司 (仓敷化工橡胶弹簧)
