全国服务热线: 0512-6605 1469
首页产品资讯
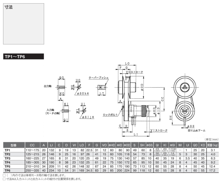
到货SAKAI酒井无极变速机带皮带型号:TP3-160-19 标准品TP3-225-19
发布时间:2026-03-13 10:58:57 点击次数:104

到货SAKAI酒井无极变速机带皮带型号:TP3-160-19 标准品TP3-225-19  


苏州上野机电设备有限公司询价咨询电话:17895046997  刘先生  同微信


1773370413.jpg


image.png


image.png


image.png



image.png



image.png



1773370519.jpg




  • 热线电话:0512-8781 4269 分机号:802
  • :1789-5046-997 1889-6984-864
  • :0512-6605 1469
  • :0512-6605 1489
  • 联系人:刘工
  • :2461896109@qq.com
  • :www.mekasys.cn
  • :苏州市吴中区南湖路71号天贸大厦509室
  • 微信二维码 微信二维码
  • 官网二维码 官网二维码

版权归苏州上野机电设备有限公司所有苏ICP备16035515号 技术支持:易动力网络