【 微信扫码咨询 】
办公机械设备用KURASHIKI KAKO仓敷化工橡胶弹簧型号:RM-80-3BN
苏州上野机电设备有限公司询价咨询电话:17895046997 刘先生 同微信

性能・特点:
1. 可以获得较低的固有频率
2. 在宽泛的负载范围内,固有频率保持恒定
3. 具有良好的稳定性
4. 可实现层叠
5. 安装非常简单
主要用途:压缩机,泵,吹风机,变压器,轻型机械设备,办公机械,
・测量仪器,天秤座、体育馆
・柔道场 等





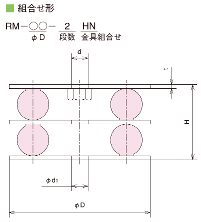
※段数以2或3为标准。1段也可以进行N以外的组合。
※N级的固有频率为2级固有频率×√2/n。
地板用请使用螺栓长度l长的另注品。


苏州上野机电设备有限公司销售型号:
苏州上野公司 RM-60-2H
苏州上野公司 RM-60-2B
苏州上野公司 RM-60-2N
苏州上野公司 RM-60-2HN
苏州上野公司 RM-60-2HB
苏州上野公司 RM-60-2BN
苏州上野公司 RM-60-3H
苏州上野公司 RM-60-3B
苏州上野公司 RM-60-3N
苏州上野公司 RM-60-3HN
苏州上野公司 RM-60-3HB
苏州上野公司 RM-60-3BN
苏州上野公司 RM-80-2H
苏州上野公司 RM-80-2B
苏州上野公司 RM-80-2N
苏州上野公司 RM-80-2HN
苏州上野公司 RM-80-2HB
苏州上野公司 RM-80-2BN
苏州上野公司 RM-80-3H
苏州上野公司 RM-80-3B
苏州上野公司 RM-80-3N
苏州上野公司 RM-80-3HN
苏州上野公司 RM-80-3HB
苏州上野公司 RM-80-3BN
苏州上野公司 RM-120-2H
苏州上野公司 RM-120-2B
苏州上野公司 RM-120-2N
苏州上野公司 RM-120-2HN
苏州上野公司 RM-120-2HB
苏州上野公司 RM-120-2BN
苏州上野公司 RM-120-3H
苏州上野公司 RM-120-3B
苏州上野公司 RM-120-3N
苏州上野公司 RM-120-3HN
苏州上野公司 RM-120-3HB
苏州上野公司 RM-120-3BN
苏州上野公司 RM-160-2H
苏州上野公司 RM-160-2B
苏州上野公司 RM-160-2N
苏州上野公司 RM-160-2HN
苏州上野公司 RM-160-2HB
苏州上野公司 RM-160-2BN
苏州上野公司 RM-160-3H
苏州上野公司 RM-160-3B
苏州上野公司 RM-160-3N
苏州上野公司 RM-160-3HN
苏州上野公司 RM-160-3HB
苏州上野公司 RM-160-3BN
苏州上野公司 RM-230-2H
苏州上野公司 RM-230-2B
苏州上野公司 RM-230-2N
苏州上野公司 RM-230-2HN
苏州上野公司 RM-230-2HB
苏州上野公司 RM-230-2BN
苏州上野公司 RM-230-3H
苏州上野公司 RM-230-3B
苏州上野公司 RM-230-3N
苏州上野公司 RM-230-3HN
苏州上野公司 RM-230-3HB
苏州上野公司 RM-230-3BN
