【 微信扫码咨询 】

特点:
バリエーション豊かな堅牢タイプ
優れた耐環境性
小型・軽量 苏州上野公司销售电话:178-9504-6997 刘经理

| 定格出力 | 2~2.48mV/V(感度調整なし) |
|---|---|
| 非直線性 | ±1%R.C.(球面受金具使用時)(※1) |
| ヒステリシス | 耐圧硬質プレート使用時:±0.5%R.C. ロードボタン、ペンダルベアリング使用時:±0.3%R.C. 200kNのみ:±0.5%R.C. 球面軸受け金具使用時:±0.5%R.C. |
| 零バランス | ±0.0248mV/V |
| 零点の温度影響 | ±0.05%R.C./10℃ |
| 出力の温度影響 | ±0.1%R.C./10℃ |
| 許容過負荷 | 150%R.C. |
| 静的限界横力 | 耐圧硬質プレート使用時:指定不可 ロードボタン、ベンダルベアリング20% 球面受け金具使用時3% |
| 相対振動応力 | 70% |
| 温度補償範囲 | -10~70℃(結露、氷結不可) |
| 許容温度範囲 | -30~85℃(結露、氷結不可) |
| 保存温度範囲 | -50~85℃(結露、氷結不可) |
| 入力抵抗 | 380~420Ω |
| 出力抵抗 | 280~360Ω |
| 推奨印加電圧 | 5V以下 |
| 印加電圧範囲 | 0.5~20V |
| 絶縁抵抗 | 5GΩ以上 |
| 保護構造 | IP68 相当(注1) |
| ケーブル | φ5.4mm シールド付 6m直結 |
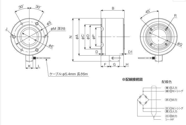
苏州上野公司销售沃康传感器型号如下图:
| 型式 | G | H | J | K | L | MH11 | N | O | P | Q+0.1 | R | S+0.1 | 質量 |
|---|---|---|---|---|---|---|---|---|---|---|---|---|---|
| VC6B-200KN | 42 | 0.75 | M8 深8 | 26 | 12 | 6 | 100 | - | 35 | 48 | M6 深8 | 64 | 約1.6kg |
| VC6B-500KN | - | - | 42 | 約1.8kg | |||||||||
| VC6B-1MN | 44 | 17.5 | M12 深15 | 31 | 8 | 184 | - | 75 | 98 | M8 深15 | 130 | 約10.1kg | |
| VC6B-2MN | 100 | 80 | 90 | 約10.7kg |