全国服务热线: 0512-6605 1469
首页产品资讯
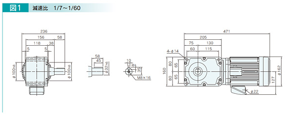
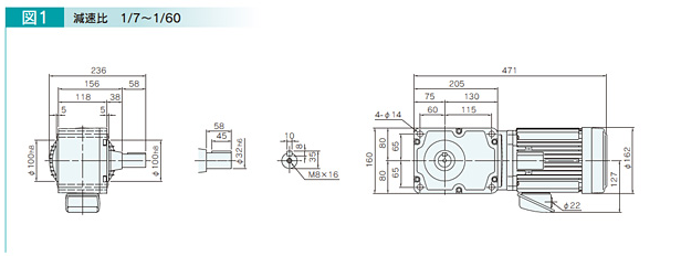
fujihensokuki富士减速机型号:VC08-025EMR
发布时间:2020-10-29 16:08:25 点击次数:561



VC系列特点:                    苏州上野公司销售电话:178-9504-6997  刘经理


逆变速运转


丰富的减速比


制动手动释放装置


端子BOX 90度可位置变更


小型轻量化


低噪音,长寿命



image.png


苏州上野公司销售富士减速机型号如下:

image.png




  • 热线电话:0512-8781 4269 分机号:802
  • :1789-5046-997 1889-6984-864
  • :0512-6605 1469
  • :0512-6605 1489
  • 联系人:刘工
  • :2461896109@qq.com
  • :www.mekasys.cn
  • :苏州市吴中区南湖路71号天贸大厦509室
  • 微信二维码 微信二维码
  • 官网二维码 官网二维码

版权归苏州上野机电设备有限公司所有苏ICP备16035515号 技术支持:易动力网络