【 微信扫码咨询 】
可以简单装卸分离型的IWATA岩田固定环型号:SCSS08H09C
苏州上野机电设备有限公司询价咨询电话:17895046997 刘先生 同微信

特点;
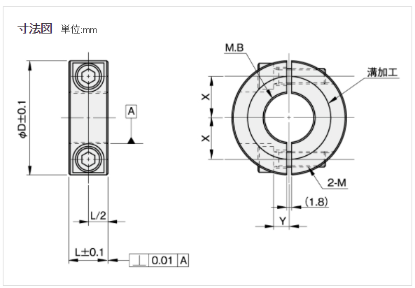
可以简单装卸的分离型。
・是组装机器或维护时方便的分离结构的套色。
・推力强,不易损伤轴的类型。
・内径部螺纹加工(细目)后的螺纹轴用套环。



苏州上野机电设备有限公司销售型号:
SCSS08H09C
SCSS10H09C
SCSS12H12C
SCSS15H14C
SCSS16H14C
SCSS20H15C
SCSS25H15C
SCSS30H15C
SCSS35H15C
SCSS08H09C
SCSS10H09C
SCSS12H12C
SCSS15H14C
SCSS16H14C
SCSS20H15C
SCSS25H15C
SCSS30H15C
SCSS35H15C
SCSS08H09C
SCSS10H09C
SCSS12H12C
SCSS15H14C
SCSS16H14C
SCSS20H15C
SCSS25H15C
SCSS30H15C
SCSS35H15C
SCSS08H09C
SCSS10H09C
SCSS12H12C
SCSS15H14C
SCSS16H14C
SCSS20H15C
SCSS25H15C
SCSS30H15C
SCSS35H15C
SCSS08H09C
SCSS10H09C
SCSS12H12C
SCSS15H14C
SCSS16H14C
SCSS20H15C
SCSS25H15C
SCSS30H15C
SCSS35H15C