【 微信扫码咨询 】
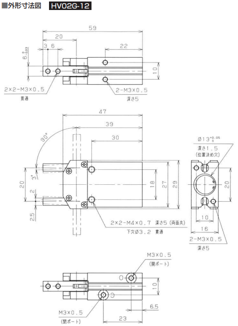
NEW-ERA新时代180度开闭型旋转移动型机械手:HV02G-12
苏州上野机电设备有限公司询价咨询电话:17895046997 刘先生 同微信

特点:
180度开闭型旋转移动型机械手HV02G系列
通过采用推力轴承,实现高耐久性、高刚性、高精度。
·通过采用连杆机构实现紧凑型高抓持力。






苏州上野机电设备有限公司销售型号:
HV02G-12
HV02G-16
HV02G-20
HV02G-12
HV02G-16
HV02G-20
HV02G-12
HV02G-16
HV02G-20
HV02G-12
HV02G-16
HV02G-20
HV02G-12
HV02G-16
HV02G-20
HV02G-12
HV02G-16
HV02G-20
HV02G-12
HV02G-16
HV02G-20
HV02G-12
HV02G-16
HV02G-20
HV02G-12
HV02G-16
HV02G-20
HV02G-12
HV02G-16
HV02G-20