【 微信扫码咨询 】
非导电型静电对策的KURASHIKI KAKO仓敷化工橡胶弹簧型号:CKN-20
苏州上野机电设备有限公司询价咨询电话:17895046997 刘先生 同微信

这种防振橡胶无需使用锚固装置,且布局灵活,属于非导电型产品。
【静电对策】我们通过演示机向您展示导电防振橡胶的优异性能!
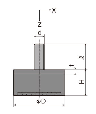
特长
导电性能的概念
使用了非可塑性橡胶。



每套产品包含1个六角螺母和1个弹簧垫。
橡胶材料:导电性NBR(体积电阻率:8×10³Ω·cm)
五金部件:钢材(电镀镀锌处理)
※使用注意事项
请仅将其用于压缩方向的用途。
本品不能替代地线。

苏州上野机电设备有限公司销售型号:
CKN-20 仓敷化工 橡胶弹簧UENO
CKN-30 仓敷化工 橡胶弹簧UENO
CKN-40 仓敷化工 橡胶弹簧UENO
CKN-50 仓敷化工 橡胶弹簧UENO
CKN-20 仓敷化工 橡胶弹簧UENO
CKN-30 仓敷化工 橡胶弹簧UENO
CKN-40 仓敷化工 橡胶弹簧UENO
CKN-50 仓敷化工 橡胶弹簧UENO
CKN-20 仓敷化工 橡胶弹簧UENO
CKN-30 仓敷化工 橡胶弹簧UENO
CKN-40 仓敷化工 橡胶弹簧UENO
CKN-50 仓敷化工 橡胶弹簧UENO
CKN-20 仓敷化工 橡胶弹簧UENO
CKN-30 仓敷化工 橡胶弹簧UENO
CKN-40 仓敷化工 橡胶弹簧UENO
CKN-50 仓敷化工 橡胶弹簧UENO
CKN-20 仓敷化工 橡胶弹簧UENO
CKN-30 仓敷化工 橡胶弹簧UENO
CKN-40 仓敷化工 橡胶弹簧UENO
CKN-50 仓敷化工 橡胶弹簧UENO
CKN-20 仓敷化工 橡胶弹簧UENO
CKN-30 仓敷化工 橡胶弹簧UENO
CKN-40 仓敷化工 橡胶弹簧UENO
CKN-50 仓敷化工 橡胶弹簧UENO
